EasyManua.ls Logo

OPHIR BeamSquared - Distance from Laser

OPHIR BeamSquared
112 pages
Print Icon
To Next Page IconTo Next Page
To Next Page IconTo Next Page
To Previous Page IconTo Previous Page
To Previous Page IconTo Previous Page
Loading...
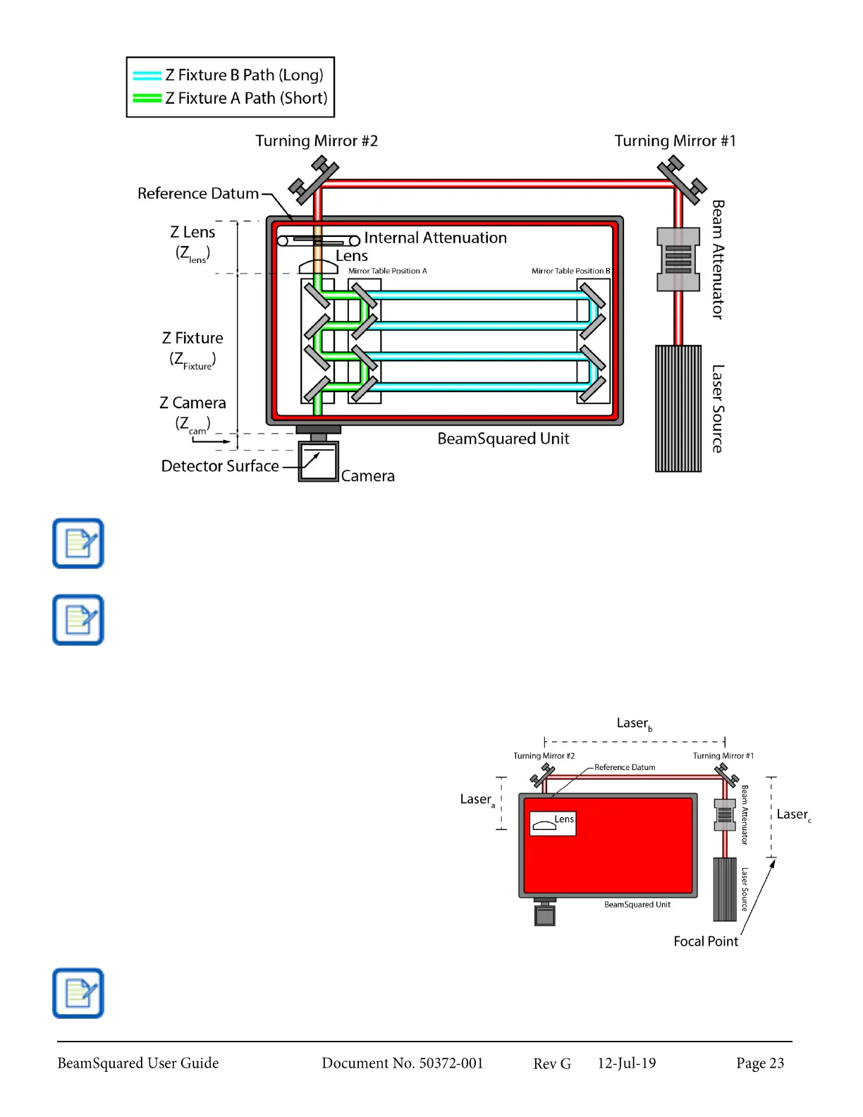
After initialization, the mirror table moves to Mirror Table position A” in the above image.
The Z
lens
distance begins at the edge of the red BeamSquared case.
Distance from Laser 2.5.1
In order to get the best results, the distance between
the natural beam waist and the lens should be between
one-third and three times the focal length of the lens.
This distance is the sum of Laser
a
, Laser
b
, and Laser
c
in
the graphic on the right. In this example the natural
beam waist is located at the laser source faceplate. See
section 6.1.7 for computations.
The distance from the reference datum to the lens is approximately 95.5mm. The actual value is
calibrated at the factory as the Z
lens
value.

Table of Contents

Related product manuals