EasyManua.ls Logo

OPHIR BeamSquared - 6.1.6 Path Length Calibration Values

OPHIR BeamSquared
112 pages
Print Icon
To Next Page IconTo Next Page
To Next Page IconTo Next Page
To Previous Page IconTo Previous Page
To Previous Page IconTo Previous Page
Loading...
This equation is not valid for achromatic lenses.
A table of the index of refraction for BK-7 and UVFS at a number of wavelengths is supplied in A.2
Refractive Index of Common Lens Materials.
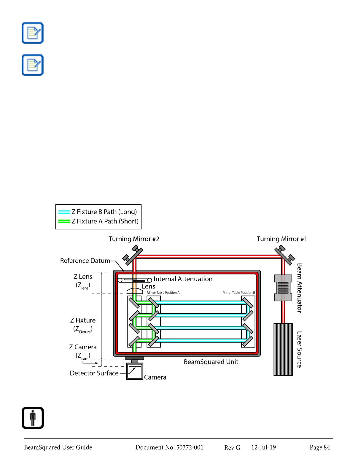
Path Length Calibration Values 6.1.6
Three path length values are used to calibrate each BeamSquared. These path lengths are factory calibrated
and pre-programmed into the BeamSquared device.
The 3 path length values are defined as follows (refer to image below):
Z
lens
= the distance from the red BeamSquared case to the reference plane of the lens.
Z
fixture
= the internal beam path length from the reference plane of the lens to the camera mount when
the mirrors are in the “A” or minimum position (green path).
Z
cam
= the distance from the camera mount to the camera detector surface.
The sum of these three values equals the minimum distance that the camera can be positioned from the
reference plane.
In manual mode, none of these Z path length entries have any meaning. They only apply to
automatic operations.

Table of Contents

Related product manuals