EasyManua.ls Logo

Planmeca ProMax 2D - General View of 3 D X-Ray System

Planmeca ProMax 2D
122 pages
Print Icon
To Next Page IconTo Next Page
To Next Page IconTo Next Page
To Previous Page IconTo Previous Page
To Previous Page IconTo Previous Page
Loading...
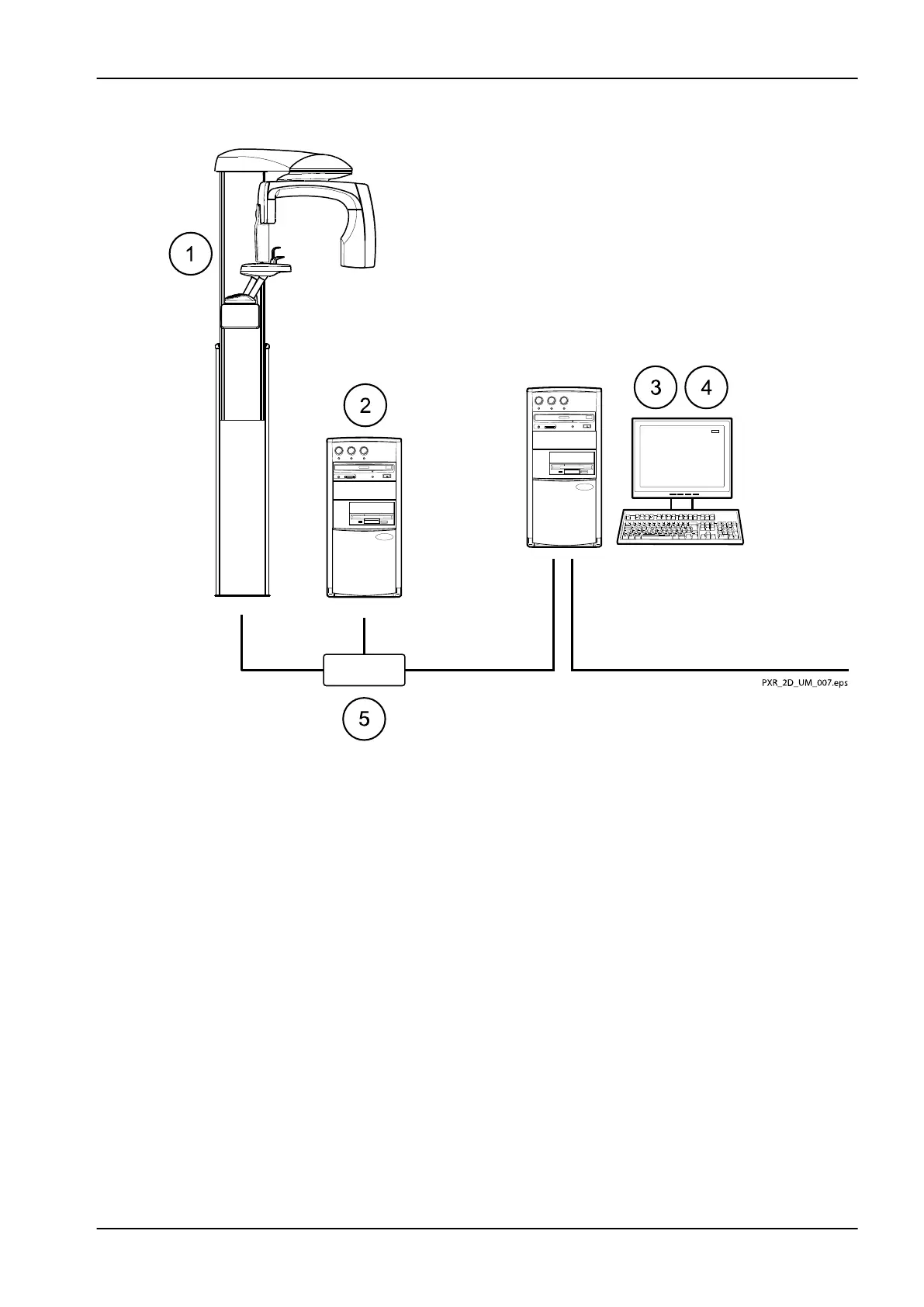
3.2 General view of 3D X-ray system
1. X-ray unit
2. 3D reconstruction PC
3. Planmeca Romexis program
4. ProTouch desktop application
(optional, see section "ProTouch desktop application" on page 17)
5. Ethernet switch
3 Main parts
User's manual Planmeca ProMax 9

Table of Contents

Related product manuals