EasyManua.ls Logo

Polaris 850 MATRYX INDY XC 129 2021 - Page 726

Polaris 850 MATRYX INDY XC 129 2021
727 pages
To Next Page IconTo Next Page
To Next Page IconTo Next Page
To Previous Page IconTo Previous Page
To Previous Page IconTo Previous Page
Loading...
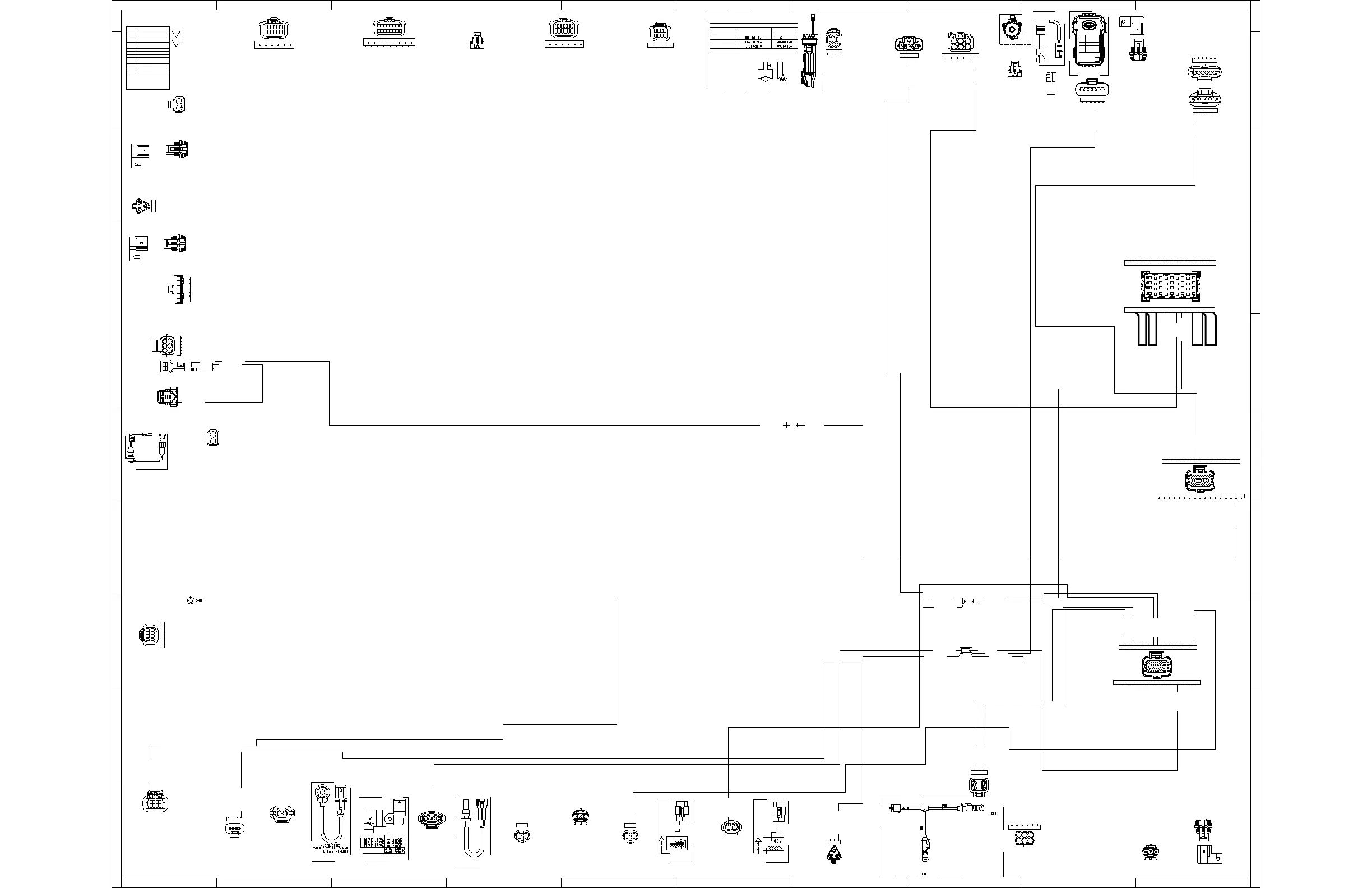
EB02 RD/DB
EB02 RD/DB
EB30 RD/WH
EB30 RD/WHEB30-2 RD/WH
EB30-2 RD/WH
EB30-3 RD/WH
EB30-3 RD/WH
EA32-3 OG/WH
EA32-3 OG/WH
PE01 OG
PE01 OG
EB04 RD/DB
EB04 RD/DB
EB10-3 RD/DB
EB10-3 RD/DB
EB30-1 RD/WH
EB30-1 RD/WH
EA33 OG/WH
EA33 OG/WH
EB10 RD/DB
EB10 RD/DB
EB10-2 RD/DB
EB10-2 RD/DB
EA09 OG
EA09 OG
EB10-4 RD/DB
EB10-4 RD/DB
EB09 YE/BK
EB09 YE/BK
EB17 OG/YE
EB17 OG/YE
EA32-1 OG/WH
EA32-1 OG/WH
EB30-5 RD/WH
EB30-5 RD/WH
1
2
3
A
B
C
D
E
F
G
H
I
4
5
6
789
10
WIRE COLOR LEGEND
BG
BK
BU
DB
BN
GY
GN
DG
OG
PK
RD
VT
WH
YE
BEIGE (TAN)
BLACK
LIGHT BLUE
DARK BLUE
BROWN
GRAY
LIGHT GREEN
DARK GREEN
ORANGE
PINK
RED
VIOLET (PURPLE)
WHITE
YELLOW
TWO WIRE COLORS ARE SHOWN
WITH MAIN/TRACE COLORS.
EXAMPLE:RD/YE = RED WITH
YELLOW TRACE.
ECU POWER CIRCUIT
E = ENGINE GROUND
C = CHASSIS GROUND
NC = SWITCH NORMALLY CLOSED
NO = SWITCH NORMALLY OPEN
HARNESS: 2415122_650_850_ECU-01
SHEET NO. 1 OF 2
DRAWN: 30-APR-20
CL CLEAR
1 2
3
4
6
5
Sumitomo
6187-2171
SUMITOMO
6180-6181
15326835
DELPHI
OIL PUMP
FURUKAWA QLW-A-B3F-B
FURUKAWA FSW-C-6F-B (Black)
DELPHI
GROUND SPEED SENSOR
12110293
12160504
DELPHI
LOAD CENTER
DELPHI 13510099
PBR (DC PWR)
PBR (ECU,CAN,GND)
P2P1 P3
P4 P5 P6
TETHER SWITCH
(CLOSED WHEN
TETHER PULLED)
(P/N 4010849)
(P/N 2410369)
DETONATION SENSOR
(P/N 2410422)
T MAP SENSOR
PIN 1 TO 2
TEMP
PIN 1 TO 4
RESISTANCE
PIN 3 TO 4
SENSOR
PRESSURE
1 2
+5v
SIGNAL
43
GROUND
NTC
1 4
(P/N 4012115)
WATER TEMP SENSOR
TOP VIEW
(COVER REMOVED)
BK
WH
E
BK
WH
E
LEVEL SENDER OUTPUT
F 6.1
1/2
E
*MEASURE PER "PFA MOUNTING IN FUEL TANK" DIAGRAM
FUEL GAUGE
READING (REF)
*FUEL HEIGHT ('H')
(BOTTOM OF FLOAT)
RESISTANCE
(OHMS)
PIN FUNCTION
1
PWM OUT
2
PWM SET
3
POWER
4
GROUND
DIGITAL WRENCH
A B C D
E F G H
P1
P2
GROUND SPEED CAPACITOR
.180 TERMINALS
P1
P2
CHASSIS GND
1
DETONATION SENSOR
BOSCH
1-928-403-698
1 2
IGNITION COIL (MAG)
P1 P2
SPLICE,SENSOR POWER #1
12
OIL LEVEL SWITCH
(P/N 4012624)
PTO IGNITION COIL
(P/N 4014009)
MAG IGNITION COIL
(P/N 4014010)
TMAP SENSOR
BOSCH
1-928-403-736
1 2 3 4
OIL PUMP (P/N 1204446)
FUEL PUMP
(P/N 2521342)
PUMP
1 3 4 2
EV ACTUATOR
(P/N 4014355)
MAG
FUEL
INJECTOR
INJECTOR
FUEL
PTO
CHASSIS HARNESS
INJECTOR HARNESS
(P/N 401xxxx)
A1 A2 A3 A4 A5 A6 A7 A8 A9 B1 B2 B3 B4 B5 B6 B7 B8 B9
D9D8D7D6D5D4D3D2D1C9C8C7C6C5C4C3C2C1
P1P2P3
P3P2P1 P4 P5 P6
EGT SENSOR
A B
INJECTOR PWR SPLICE
12
FUEL SENSOR
hirschmann
1234
A B C
P1
P2P3
P4
P5P6
STATOR SIGNALS
P1P2P3P4P5P6
EGT2
A B
TPS
DEUTSCH
DT06-3S
ABC
RCA ACCESSORY POWER
A B
TETHER SWITCH
DEUTSCH DT06-2S
1 2
ECU_CNA
1 2 3 4 5 6 7 8 9 10 11 12 13 14 15 16 17
18 19 20 21 22 23 24 25 26 27 28 29 30 31 32 33 34
ECU_CNB
1 2 3 4 5 6 7 8 9 10 11 12 13 14 15 16 17
18 19 20 21 22 23 24 25 26 27 28 29 30 31 32 33 34
A B C
DEF
REAR HARNESS
A B C D E F
A
B
C D E
F
DIAGNOSTIC PWR TEST JUMPER
A B C D E F
A
B C
D E
F
DIAGNOSTIC PWR
A B C D E F
1 2 3 4 5 6
P1
P2
IGNITION COIL (PTO)
P1P2
CAN2 DATA
ENABLE
A B
ECU 5V PWR SPLICE
12
LOGGER SW
AB
A B C
D
E F
IGNITION SWITCH
A
B
C D E F
1 2
43
FUEL PUMP
1 2 3 4
1
2
3
4
5
6
7 8
ELECTRIC START
1 2 3 4 5 6 7 8
INJECTOR
HARNESS
DEUTSCH DT06-4S_1
1234
AB
1 2 3 4 5 6
7 8 9
10 11 12
HANDLEBAR CONNECTOR
1
2
3
4
5
6
7
8
9
10
11
12
1 2 3 4 5 6 7 8
9
10 11 12 13 14 15 16
LEFT HAND CONTROLS
1
2
3
4
5
6
7
8
9
10
11
12
13
14
15
16
ACCENT LED-HANDGUARD
A B
1 2 3 4 5 6
7 8 9
10 11 12
HOOD/CHASSIS
1
2
3
4
5
6
7
8
9
10
11
12
FRONT WORK LIGHT
1 2
1
2
3
4
5
6
7 8
VCM
1 2 3 4 5 6 7 8
DRIVER SEAT HEATER SWITCH
A B C
FRONT WORK LIGHT SWITCH
AB
P1
P2
COOLANT TEMPERATURE SENSOR
P1P2

Table of Contents

Related product manuals