EasyManua.ls Logo

Rational SCC Series - Page 183

Rational SCC Series
200 pages
Print Icon
To Next Page IconTo Next Page
To Next Page IconTo Next Page
To Previous Page IconTo Previous Page
To Previous Page IconTo Previous Page
Loading...
Edition 10-2008a
183
76-00016
0
Version
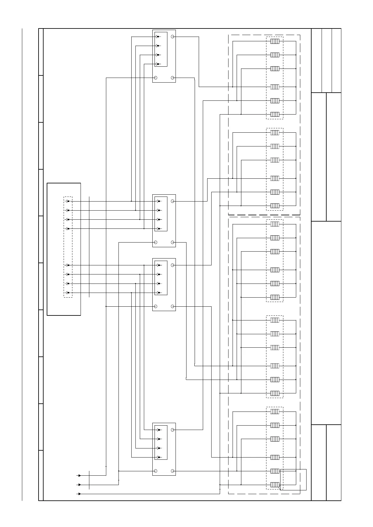
MODUL 2 Heißluftheizung/Dampfheizung
Hot air heating/Steam heating
SCC202E
3NAC400V 50-60Hz
Erstellt von
Created by
Datum
Date
Blatt
Page
PA
2
30.04.2004
K1:5 / 1.08
W16
AWG 8(4x)
VT
R1
6x3kW
18kW D1
1
2
Thermoelement
Dampfgenerator
Thermocouple
steam generator
K1:1 / 5.00
BK
K1:3 / 1.08
V3
Leistungshalbleiter
solid state relay
A+ A-
B+ B-
A1/B1
A2
B2
3
4
OG
5
6
X35
11 22
7
8
33
D1 HL2
44
9
10
11
12
R2
6x3kW
18kW D2
1
2
3
4
5
6
7
8
9
10
11
12
V1
Leistungshalbleiter
solid state relay
A+ A-
B+ B-
A1/B1
A2
B2
R3
6x3kW
18kW D2
1
2
W1
WH WH WH WH
GY GY GY GY
X24
11
X33
11
+D1
-D1
+HL2
-HL2
3
4
22
22
33
33
5
6
D1 HL2
44
44
7
8
V2
Leistungshalbleiter
solid state relay
A+ A-
B+ B-
A1/B1
A2
B2
9
10
55
X34
11
11
12
+D2
-D2
+HL1
-HL1
66
22
77
33
R4
6x5kW
30kW HL1/HL2
1
2
D2 HL1
88
44
3
4
5
6
7
8
9
10
11
12
R5
6x5kW
30kW HL1/HL2
1
2
3
4
5
6
V4
Leistungshalbleiter
solid state relay
A+ A-
B+ B-
A1/B1
A2
B2
7
8
X36
11
9
10
22 33
11
12
D2 HL1
44
A1
I/O-PCB
0
0123456789

Table of Contents

Related product manuals