EasyManua.ls Logo

Siemens SENTRON - Page 86

Siemens SENTRON
224 pages
Print Icon
To Next Page IconTo Next Page
To Next Page IconTo Next Page
To Previous Page IconTo Previous Page
To Previous Page IconTo Previous Page
Loading...
Connection
6.3 Connecting the control circuit
86 Manual, 08/2017, L1V30368969104A-02
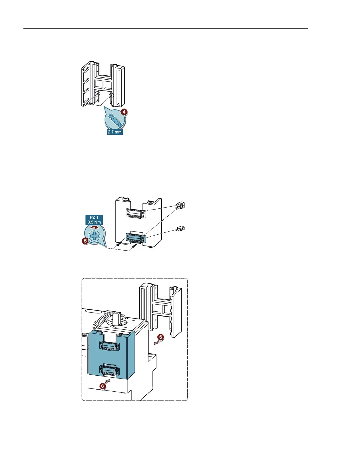
4. Remove the H piece of the transfer switching equipment and drill out the pre-drilled holes.
Figure 6-70 Drilling out H piece
5. Mount the terminal of the auxiliary switch in the H piece in accordance with the figure.
When installing 1 auxiliary switch, mount the terminal in the lower hollow of the H
piece.
When installing 2 auxiliary switches, mount the terminals in the lower or upper hollow
of the H piece.
Figure 6-71 Mounting the auxiliary switch terminal on the H piece
6. Secure the H piece again on the transfer switching equipment.
Figure 6-72 Securing H piece

Table of Contents

Other manuals for Siemens SENTRON

Related product manuals