EasyManua.ls Logo

Siemens SENTRON - Page 94

Siemens SENTRON
224 pages
Print Icon
To Next Page IconTo Next Page
To Next Page IconTo Next Page
To Previous Page IconTo Previous Page
To Previous Page IconTo Previous Page
Loading...
Connection
6.3 Connecting the control circuit
94 Manual, 08/2017, L1V30368969104A-02
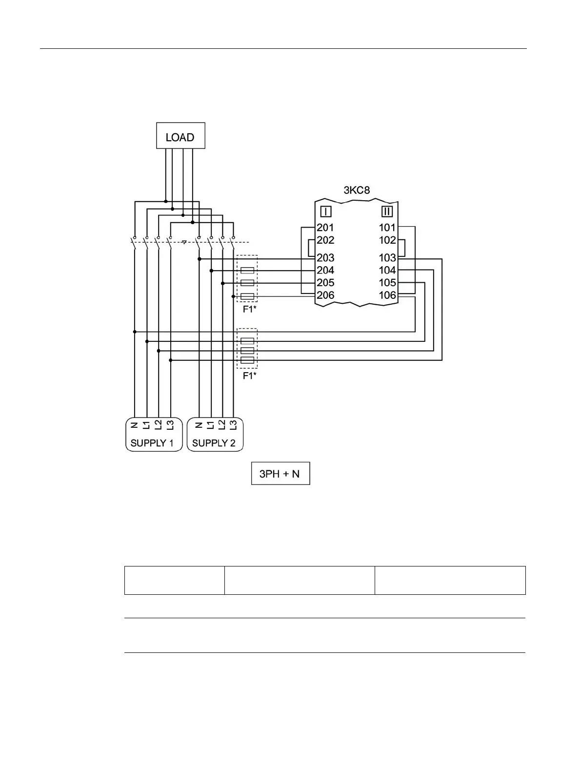
A typical connection of sources I and II (3PH + N) to the electronic module of the 3KC8 is
shown in the circuit diagram below:
* The F1 fuses are not required when using the 3KC9830-, 3KC9831- power supply kits.
Figure 6-81 Circuit diagram for a typical connection of the sources (3PH + N) to the electronic
module
If the power supply kit is not used, the following fuses are to be fitted:
F1 3 x 3NW6004-1
1 x 3NW7033
4 A, gG
Note
The F1 fuses must be installed as closely as possible to the tap.

Table of Contents

Other manuals for Siemens SENTRON

Related product manuals