EasyManua.ls Logo

Siemens SIRIUS 3RT - Page 157

Siemens SIRIUS 3RT
552 pages
Print Icon
To Next Page IconTo Next Page
To Next Page IconTo Next Page
To Previous Page IconTo Previous Page
To Previous Page IconTo Previous Page
Loading...
Configuration
SIRIUS - SIRIUS 3RT Contactors/Contactor assemblies
Manual, 09/2017, A5E03656507120A/RS-AE/006
157
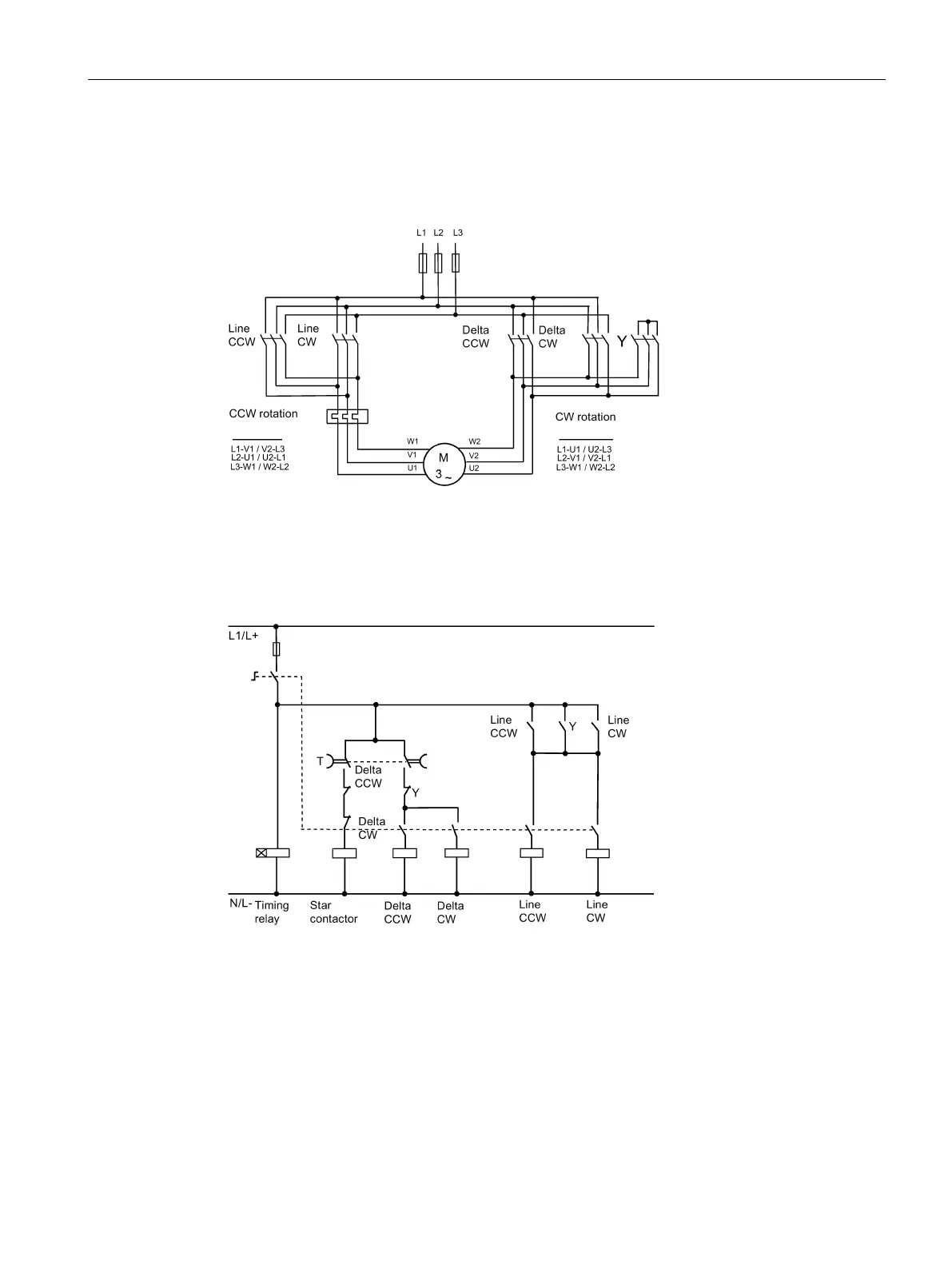
Main circuit
The diagram below shows the preferred main circuit wiring for a star-delta circuit, clockwise
and counterclockwise rotation.
Figure 6-10 Main circuit of the contactor assembly for star-delta (wye-delta) start
Control circuit
The diagram below shows the control circuit for the main circuit depicted above.
Figure 6-11 Control circuit of the contactor assembly for star-delta (wye-delta) start
6.13 Starting three-phase motors with reduced starting current peaks (contactor assembly for star-delta (wye-
delta) start)

Table of Contents