EasyManua.ls Logo

Siemens SIRIUS 3RT - 3 RT1.5 Contactors (Size S6)

Siemens SIRIUS 3RT
552 pages
Print Icon
To Next Page IconTo Next Page
To Next Page IconTo Next Page
To Previous Page IconTo Previous Page
To Previous Page IconTo Previous Page
Loading...
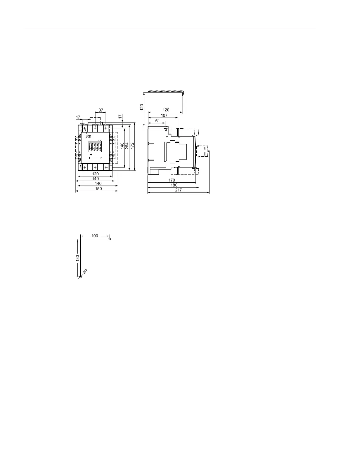
Dimension drawings (dimensions in mm)
C.6 3RT1.5 contactors (size S6)
SIRIUS - SIRIUS 3RT Contactors/Contactor assemblies
522 Manual, 09/2017, A5E03656507120A/RS-AE/006
C.6
3RT1.5 contactors (size S6)
3RT1.5 contactors
Drilling diagram for 3RT1.5. contactors

Table of Contents

Related product manuals