EasyManua.ls Logo

Siemens SIRIUS 3RT - Contactor Assemblies for Star-Delta (Wye-Delta) Start (S6; S10; S12)

Siemens SIRIUS 3RT
552 pages
Print Icon
To Next Page IconTo Next Page
To Next Page IconTo Next Page
To Previous Page IconTo Previous Page
To Previous Page IconTo Previous Page
Loading...
Circuit diagrams
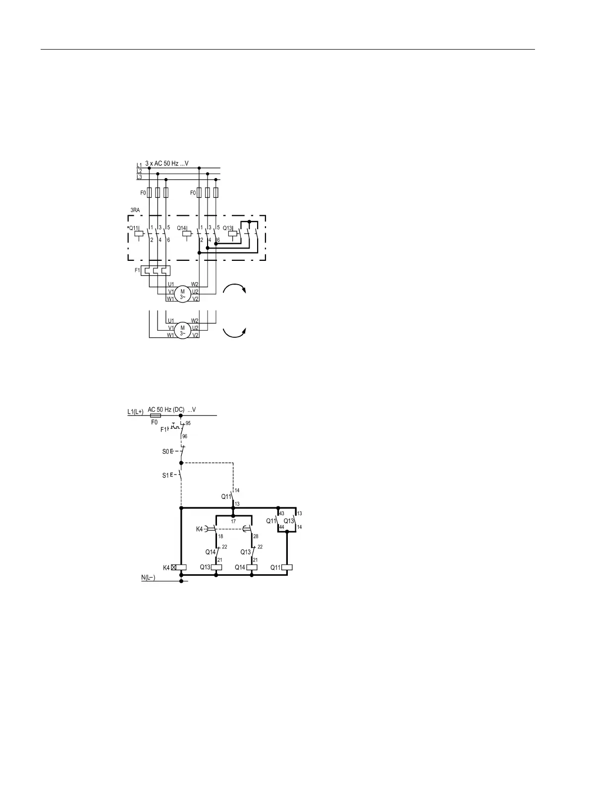
11.7 Contactor assemblies for star-delta (wye-delta) start (S6 / S10 / S12)
SIRIUS - SIRIUS 3RT Contactors/Contactor assemblies
490 Manual, 09/2017, A5E03656507120A/RS-AE/006
11.7
Contactor assemblies for star-delta (wye-delta) start (S6 / S10 /
S12)
Main circuit
Control circuit
Pushbutton switch control
S0
"OFF" button
S1
"ON" button
S
Maintained-contact switch
K1
Line contactor
K2
Star contactor
K3
Delta contactor
K4
Solid-state time-delay auxiliary switch block or timing relay
F0
Fuses
F1
Overload relay

Table of Contents

Related product manuals