EasyManua.ls Logo

Siemens SIRIUS 3RT - Page 489

Siemens SIRIUS 3RT
552 pages
Print Icon
To Next Page IconTo Next Page
To Next Page IconTo Next Page
To Previous Page IconTo Previous Page
To Previous Page IconTo Previous Page
Loading...
Circuit diagrams
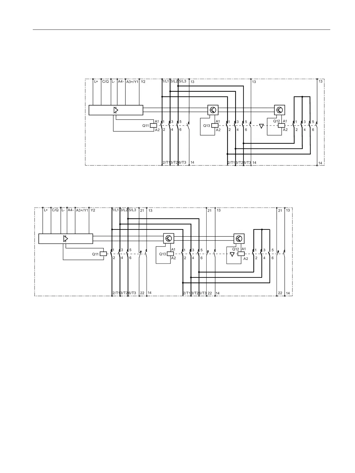
11.6 Contactor assemblies for star-delta (wye-delta) start (S00 / S0 / S2 / S3)
SIRIUS - SIRIUS 3RT Contactors/Contactor assemblies
Manual, 09/2017, A5E03656507120A/RS-AE/006
489
Contactor assemblies for star-delta (wye-delta) start with mounted function modules for IO-Link
3RA241.-..E..
Figure 11-7 S00 contactor assembly for star-delta (wye-delta) start, with mounted function modules
for IO-Link
3RA242.-..E.. / 3RA243.-..E.. / 3RA244.-..E..
Figure 11-8 S0, S2 and S3 contactor assembly for star-delta (wye-delta) start, with mounted function modules for IO-Link

Table of Contents

Related product manuals