EasyManua.ls Logo

Sinoboom TB24 Plus - Page 119

Default Icon
170 pages
Print Icon
To Next Page IconTo Next Page
To Next Page IconTo Next Page
To Previous Page IconTo Previous Page
To Previous Page IconTo Previous Page
Loading...
REPAIR PROCEDURES
TB24 Plus&26J Plus Maintenance Manual 6-29 © Jun 2022
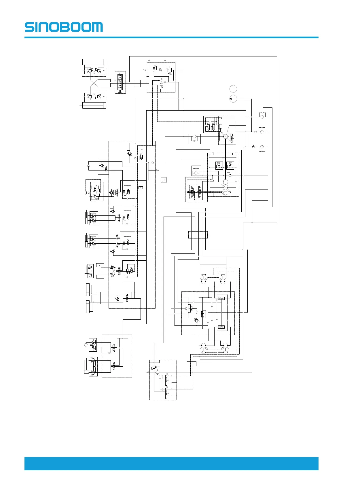
Figure 6-39 TB26J Plus hydraulic schematic
L2
S
E
MLS
M1
E
F
M4
M5
M1
M2
B
A
M
P
LS
P
T
T1
A
A1
B1
A2
B2
A3
B3
A4
B4
A5
B5
B
T2
Pil
Pil
T
DS
DS
M1
M2
P2
P1
T
P
B
P
M2
M1
LS
T
P
M3
A
LS1
LS2
V2
V1
V2
V1
P1
A
T
M3
M4
S
T
P
A1
B1
A2 B2
Hydraulic rotary coupler
Two speed or brake valve
Platform rotator
Hydraulic rotary coupler
Steer cylinder
Level cylinder,
upper
Telescope
cylinder Lift cylinder Turnable swing
Function vavle assembly
Hydraulic rotary
coupler
Left front
oscillate cylinder
Right front
oscillate cylinder
Rear wheel,
right
Front wheel,
right
Generator
Hydraulic rotary coupler
Platform Solenoid valve,
two-spool
Lift cylinder,
jib boom
P
d/a
T
M
C
FLA
RLA
A
RLB
RRB
RRA
FRA
FLB
FRB
B
T1
MB
MA
A
B
B
A
A
B
B
A
Rear wheel,
left
Front wheel, left

Table of Contents

Other manuals for Sinoboom TB24 Plus

Related product manuals