EasyManua.ls Logo

Sinoboom TB24 Plus - Page 120

Default Icon
170 pages
Print Icon
To Next Page IconTo Next Page
To Next Page IconTo Next Page
To Previous Page IconTo Previous Page
To Previous Page IconTo Previous Page
Loading...
© Jun 2022 6-30 TB24 Plus&26J Plus Maintenance Manual
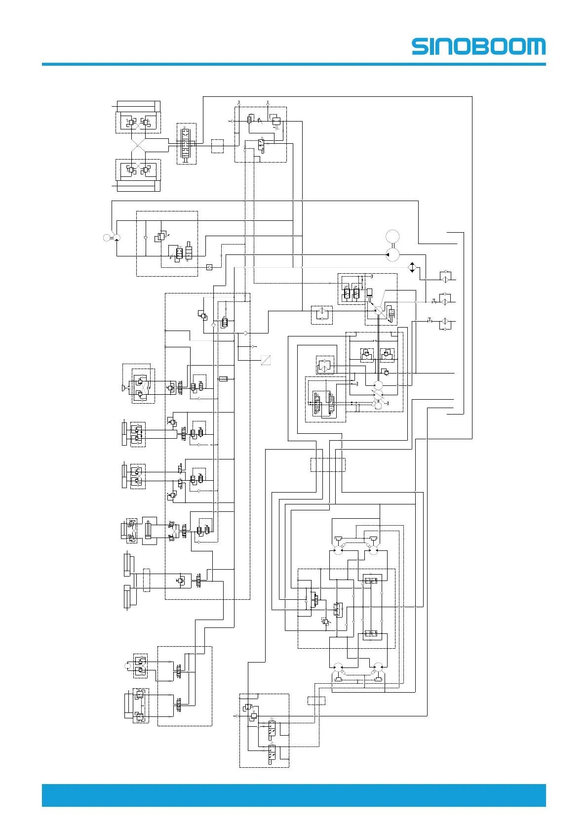
REPAIR PROCEDURES
P
d/a
L2
S
DT209
b
E
MLS
M1
E
F
M4
M5
M1
M2
B
A
M
DT210
DT7
DT203
DT204
DT9
DT5
DT202
DT201
DT207
DT208
DT12
DT210
DT209
DT204
DT205
P
LS
P
T
A1
B1
A2
B2
A3
B3
A4
B4
A5
B5
B
T2
Pil
Pil
T
DS
DS
M1
M2
P2
P1
DT216
DT212
T
P
DT102
DT101
A1
B1
DT104
DT103
LS
V2
V1
V2
V1
P1
A2 B2
S
Generator
Platform rotate
Platform control manifold
Steer cylinders
Platform level cylinder
Primary boom extension cylinder
Primary boom lift cylinder
Turnable rotate
Right oscillate cylinder
Left oscillate cylinder
Brake/2-speed manifold
Hydraulic rotary coupler
Hydraulic rotary coupler
Function manifold
B
P
M2
M1
T
P
M5
A
LS1
LS2
A
T
M3
M4
Hydraulic rotary coupler
Multiple directional
valve, oscillate float
Lift cylinder, jib boom
C
C
A2
B2
A2
B2
A
A
B
B
Rear wheel, right
Front wheel, right
Rear wheel, left
Front wheel, left
Hydraulic rotary coupler
280bar
280bar
T
M
C
FLA
RLA
A
RLB
RRB
RRA
FRA
FLB
FRB
B
T1
MB
MA
A
B
B
A
A
B
B
A
P T
LSP
NV
EC
M1 M2
G
DT217
DT225
A1
B1
A4
T
B4
A1
B1
A4
T
B4

Table of Contents