EasyManua.ls Logo

Suzuki DF 40 - Page 347

Suzuki DF 40
405 pages
Print Icon
To Next Page IconTo Next Page
To Next Page IconTo Next Page
To Previous Page IconTo Previous Page
To Previous Page IconTo Previous Page
Loading...
22 DF40/50 “K6” (’06) MODEL
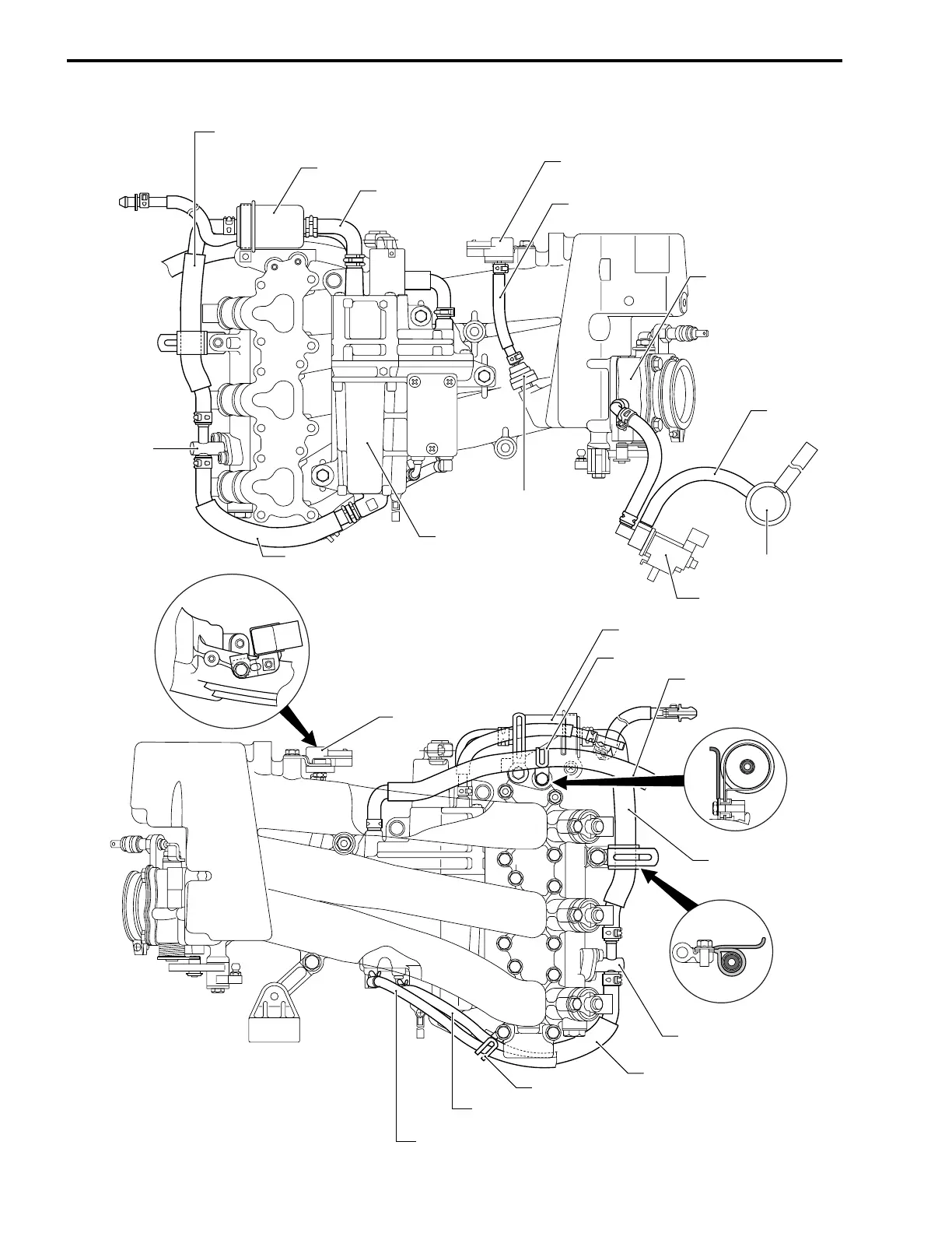
MAP sensor
Clamp
High pressure fuel filter
MAP sensor hose
High pressure fuel filter
Fuel hose
(H·fuel filter to
vapor separator)
Fuel hose/Protector
(H·fuel filter to 3-way joint)
Water hose
(Vapor separator to 3-way)
Water hose
(Engine holder to vapor separator)
Throttle body
Gas filter
Vapor separator
IAC valve
IAC valve
silencer
Fuel hose/Protector
(3-way joint to vapor separator)
IAC hose
Fuel hose/Protector
(Vapor separator to
low fuel pump)
3-way joint
3-way joint
Fuel hose/Protector
(3-way joint to vapor
separator)
Fuel hose/Protector
(H·fuel filter to
3-way joint)
Clamp
Map sensor

Table of Contents

Other manuals for Suzuki DF 40

Related product manuals