EasyManua.ls Logo

Suzuki DF 40 - Page 398

Suzuki DF 40
405 pages
Print Icon
To Next Page IconTo Next Page
To Next Page IconTo Next Page
To Previous Page IconTo Previous Page
To Previous Page IconTo Previous Page
Loading...
DF40QH / DF50QH 27
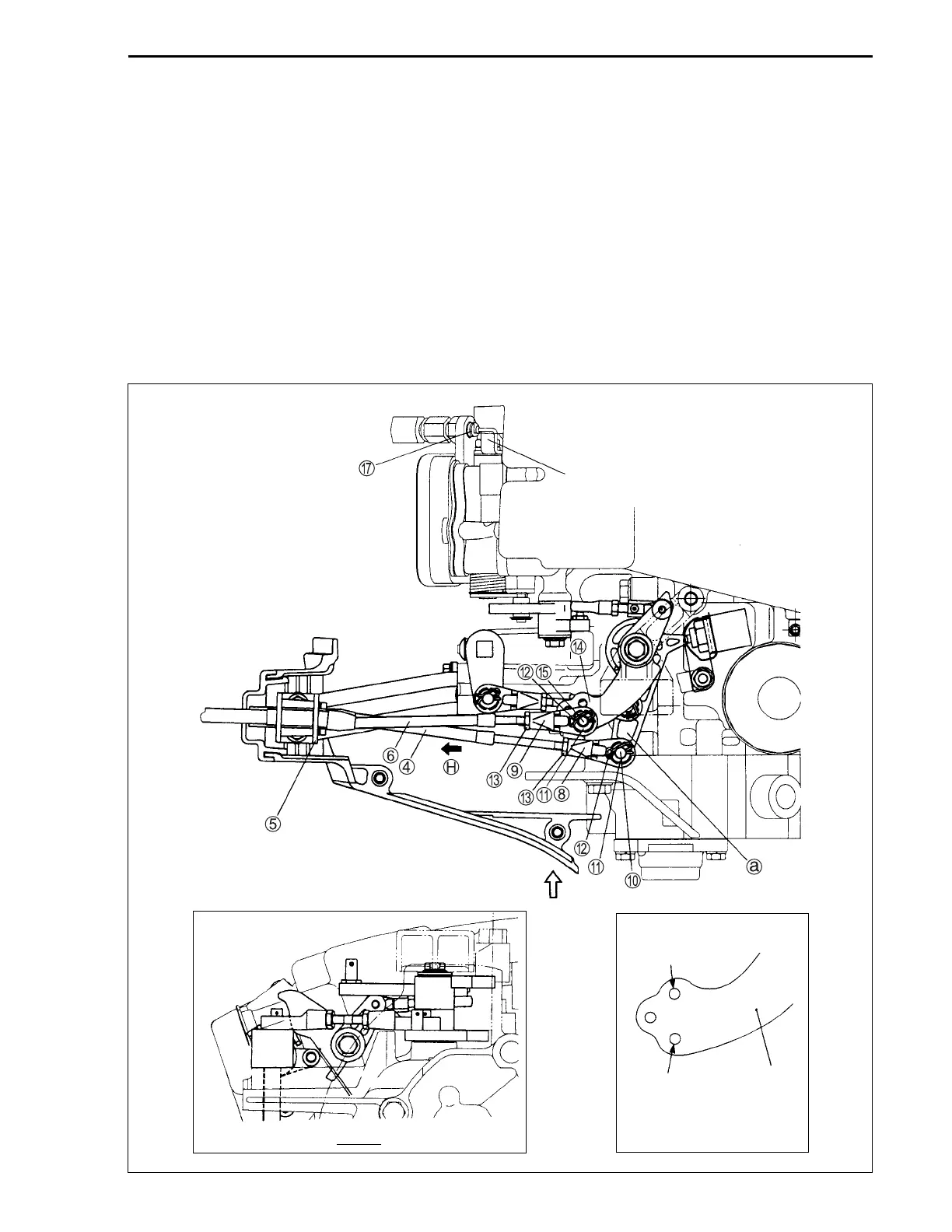
• Adjustment
Shift cable to clutch control lever
(a) Place shift lever and clutch control lever a in the neutral position.
(b) Push the cable connector 8 and shift cable 4 in the direction shown by the arrow H to remove all
play in the cable.
(c) While pressing against the cable and connector, adjust the connector 8 to align with pivot pin 0 on
the clutch control lever.
(d) When aligned, press the connector 8 (flat side of connector towards the clutch control lever) over
the pivot pin 0.
(e) Install the washer A and snap pin B, then tighten the cable lock nut C against the connector to
maintain adjustment.
(f) Make sure that both forward and reverse gears can be engaged with the same angle of shift lever
travel from “NEUTRAL position.
View X
x
PIVOT PIN POSITION
Tiller handle
model
Remote control
model
D

Table of Contents