EasyManua.ls Logo

Suzuki DF 90 - Wiring Diagram

Suzuki DF 90
616 pages
Print Icon
To Next Page IconTo Next Page
To Next Page IconTo Next Page
To Previous Page IconTo Previous Page
To Previous Page IconTo Previous Page
Loading...
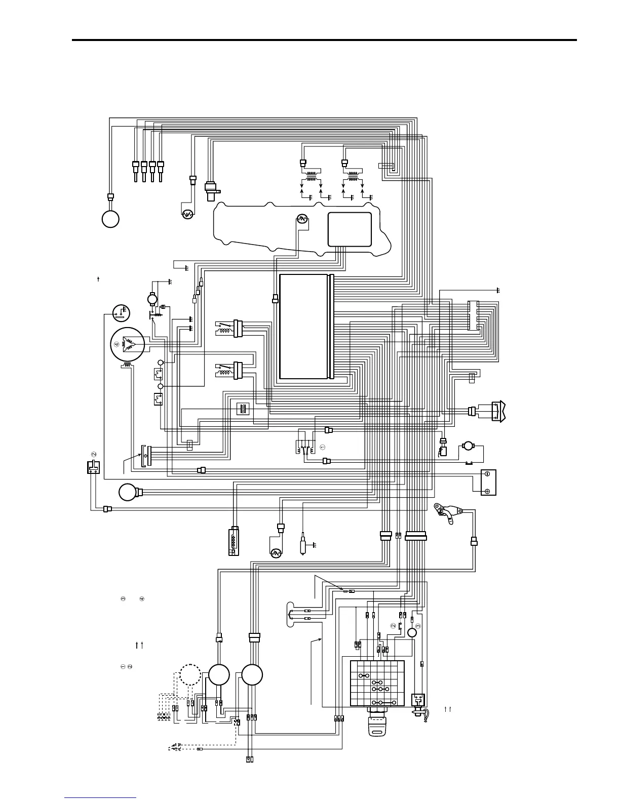
DF90/115/140 “K4” (’04) MODEL
14-25
WIRING DIAGRAM
DF90/115/140
BZ
M
PUSH
PUSH TURN
FREE
ST IG
OFF
B
G
W
Gr
Br
O
GHD
STOP
BATT
START
BZ
RESET
IG
SUZUKI
DN UP
+
M
METER
ILLUMINATOIN
SWITCH
METER
TRIM
METER
MONITOR
TACHO-
METER
TRIM SENDER EXTENSION
REMOTE CONTROL BOX
PTT SWITCH
UPDN
IGNITION SWITCH
EMERGENCY
STOP SWITCH
Lock plate IN RUN
Lock plate OFF STOP
W-TUBE
TRIM SENDER
CTP SWITCH
IAC VALVE
IAT SENSOR
PTT MOTOR
BATTERY
12V 100AH
TILT LIMITER
SWITCH
PTT SWITCH
JOINT
CONNECTOR
JOINT CONNECTOR
JOINT CONNECTOR
B
B/W Gr
LblPBrGr
Gr
IGNITOIN COILS
#2
#3
#4
#1
EX-MAIN TEMP
SENSOR
RECTIFIER &
REGULATOR
#1
#2
#3
#4
CYLINDER TEMP
SENSOR
HIGH PRESSURE
FUEL PUMP
FUEL INJECTORS
CMP SENSOR
ENGINE CONTROL MODULE
ECM MAIN RELAY
STARTER MOTOR
RELAY
ALTERNATOR
FUSE 30A FUSE 60A
CKP SENSOR
STARTER
MOTOR
MAP
SENSOR
CAP
COMMUNICATION
CONNECTOR
JOINT
CONNECTOR
B
OIL PRESSURE SWITCH
1.0 kgf/cm
2
or less ON
PTT MOTOR RELAY
NEUTRAL SWITCH
N ON
F,R OFF
---------- Optional parts
CAUTION BUZZER
(OVERHEAT / OIL PRESSURE/
BATTERY VOLTAGE / DIAGNOSIS)
BATTERY CHARGE COIL
V/W
Lbl Lbl
GG
Bl Bl
P P
P/B
O/Y
B/G
B
B
R/B
Y
Bl
R
W
Lg/B
Lg/R
Bl/B
Br
G/Y
P
G/W
B/R
O
Y/B
Bl/R
Bl/W
Gr
B/W
B
B
Lg/W
O/G
B/W
O/B
B/Y
R/W
Lg
Bl
O
R
Lbl
Lbl
P
Lbl
W/RW/R
P
Lbl
R
B
W/YW/Y
B B
Bl/BB
G/YP
PO
G/WGr
OO
WW
BrBr
Y/BY
Bl/RG
GrGr
Bl/WBl
BB
PP
LblLbl
Gr
B/R
B/W
Lg/B
Lg/R
Gr
O
Gr
Bl
B/W
Gr
O/G
Lg/W
B/W
V
B
B
Bl
B/W
Gr
Gr
O/B
B/Y
R/W
Lg
Gr
Gr
Gr
FP
W
W
W W
W
W
B
B
B
B
Bl
B
Y/G
R
R
P/B
Gr
Gr
W
W
B/W
V/W B
B
W W
R R
R
Br
Y/G
Br
Y/G
R
B/W
Gr
B/G
B/G
R/B
B/W
R/B
B
O/Y
Y
W
R/GR/G
R/G
R/G
Gr
B
B
B
B
Gr
B
Gr
B
Gr
B
W/Y
B
W/Y
B
Gr
B
Gr
B
R/G
BB
R/GR/G
Gr
B
Y
Bl/B
P
B
O
P
Gr
G/Y
G/W
Gr
B
Y
Gr
B
Lbl
P
Lbl
GrW
P
B
Y
Gr
B
Y
Gr
B
B
Gr
Br
O
Gr
G
W
Bl Bl
G G
V/W
Lbl Lbl
GG
Bl Bl
PP
P/B
O/Y
B/G
B
B
R/B
Y
Bl
R
W
Lg/B
Lg/R
Bl/B
Br
G/Y
P
G/W
B/R
O
Y/B
Bl/R
Bl/W
Gr
B/W
B
B
Lg/W
O/G
B/W
O/B
B/Y
R/W
Lg
Bl
O
R
Lbl
Lbl
P
Lbl
W/RW/R
P
Lbl
R
B
W/YW/Y
BB
Bl/BB
G/YP
PO
G/WGr
OO
WW
BrBr
Y/BY
Bl/RG
GrGr
Bl/WBl
BB
PP
LblLbl
Gr
B/R
B/W
Lg/B
Lg/R
Gr
O
Gr
Bl
B/W
Gr
O/G
Lg/W
B/W
V
B
B
Bl
B/W
Gr
Gr
O/B
B/Y
R/W
Lg
Gr
Gr
Gr
FP
W
W
WW
W
W
B
B
B
B
Bl
B
Y/G
R
R
P/B
Gr
Gr
W
W
B/W
V/W B
B
WW
RR
R
Br
Y/G
Br
Y/G
R
B/W
Gr
B/G
B/G
R/B
B/W
R/B
B
O/Y
Y
W
R/GR/G
R/G
R/G
Gr
B
B
B
B
Gr
B
Gr
B
Gr
B
W/Y
B
W/Y
B
Gr
B
Gr
B
R/G
BB
R/GR/G
B
Gr
B
Y
Bl/B
P
B
O
P
Gr
G/Y
G/W
Gr
B
Y
Gr
B
Lbl
P
Lbl
LgW
P
B
Y
Gr
B
Y
Gr
B
B
Gr
Gr
Br
Br
O
Gr
G
W
Bl Bl
GG
R/G
Br
R/G
B
B
B
B/G
B/R
B/W
B/Y
Bl/B
Bl/R
: Black with Green tracer
: Black with Red tracer
: Black with White tracer
: Black with Yellow tracer
: Blue with Black tracer
: Blue with Red tracer
O/B
O/G
O/Y
P/B
R/B
R/G
: Orange with Black tracer
: Orange with Green tracer
: Orange with Yellow tracer
: Pink with Black tracer
: Red with Black tracer
: Red with Green tracer
B
Bl
Br
G
Gr
Lbl
: Black
: Blue
: Brown
: Green
: Gray
: Light blue
WIRE COLORS
Lg
O
P
R
W
Y
: Light green
: Orange
: Pink
: Red
: White
: Yellow
Bl/W
G/W
G/Y
Lg/B
Lg/R
Lg/W
: Blue with White tracer
: Green with White tracer
: Green with Yellow tracer
: Light green with Black tracer
: Light green with Red tracer
: Light green with White tracer
R/W
V/W
W/Y
Y/B
Y/G
: Red with White tracer
: Violet with White tracer
: White with Yellow tracer
: Yellow with Black tracer
: Yellow with Green tracer

Table of Contents

Related product manuals