EasyManua.ls Logo

Suzuki Wagon R RB310 - DTC B1041 - Driver Pretensioner Initiator Circuit Resistance High; DTC B1042 - Driver Pretensioner Initiator Circuit Resistance Low; DTC B1043 - Driver Pretensioner Initiator Circuit Short to Ground; DTC B1044 - Driver Pretensioner Initiator Circuit Short to Power Circuit

Suzuki Wagon R RB310
254 pages
Print Icon
To Next Page IconTo Next Page
To Next Page IconTo Next Page
To Previous Page IconTo Previous Page
To Previous Page IconTo Previous Page
Loading...
10B-36 AIR BAG SYSTEM
DTC B1041 – Driver Pretensioner Initiator Circuit Resistance High
DTC B1042 – Driver Pretensioner Initiator Circuit Resistance Low
DTC B1043 – Driver Pretensioner Initiator Circuit Short to Ground
DTC B1044 – Driver Pretensioner Initiator Circuit Short to Power Circuit
DTC B1045 – Passenger Pretensioner Initiator Circuit Resistance High
DTC B1046 – Passenger Pretensioner Initiator Circuit Resistance Low
DTC B1047 – Passenger Pretensioner Initiator Circuit Short to Ground
DTC B1048 – Passenger Pretensioner Initiator Circuit Short to Power Circuit
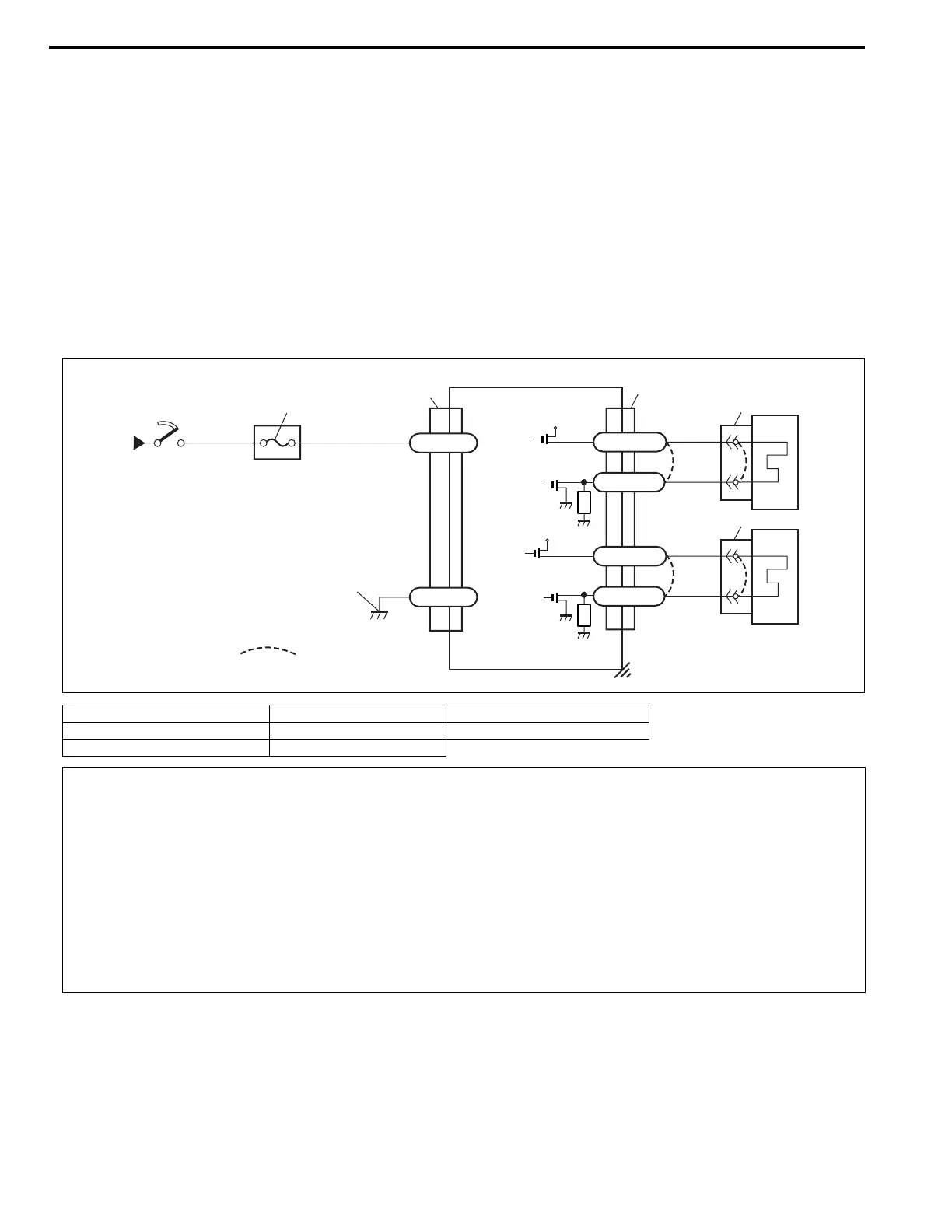
WIRING DIAGRAM
[A] : Shorting bar 3. “AIR BAG” fuse 6. Passenger seat belt pretensioner
1. From main fuse 4. SDM 7. Ground for air bag system
2. Ignition switch 5. Driver seat belt pretensioner
GRN
PNK
WHT
BLU/RED
“G67”
BLK
“G66”
BRN
LT GRN
“G72”
“G66”
+12V
+12V
G66-32
G66-31
G66-33
G66-34
G66-36
G66-35
[A]
7
4
5
6
1
2
3
CAUTION:
Be sure to perform AIR BAG DIAGNOSTIC SYSTEM CHECK before starting diagnosis according to
flow table.
When measurement of resistance or voltage is required in this table, use a specified digital multim-
eter (refer to SPECIAL TOOL in this section.) along with a correct terminal adapter from special tool
(Connector test adapter kit).
When a check for proper connection is required, refer to INTERMITTENTS AND POOR CONNEC-
TIONS in this section.
If there is open circuit in the air bag wire harness (in instrument panel harness), connector or termi-
nal is found damaged, replace the wire harness, connector and terminal as an assembly.

Table of Contents

Related product manuals