EasyManua.ls Logo

Suzuki Wagon R RB310 - System Circuit

Suzuki Wagon R RB310
254 pages
Print Icon
To Next Page IconTo Next Page
To Next Page IconTo Next Page
To Previous Page IconTo Previous Page
To Previous Page IconTo Previous Page
Loading...
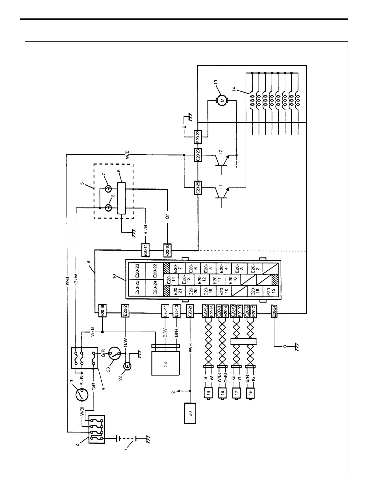
5E-6 ANTILOCK BRAKE SYSTEM (ABS)
System Circuit

Table of Contents

Related product manuals