EasyManua.ls Logo

Suzuki Wagon R RB310 - Electronic Shift Control System

Suzuki Wagon R RB310
254 pages
Print Icon
To Next Page IconTo Next Page
To Next Page IconTo Next Page
To Previous Page IconTo Previous Page
To Previous Page IconTo Previous Page
Loading...
7B-6 AUTOMATIC TRANSMISSION (4 A/T)
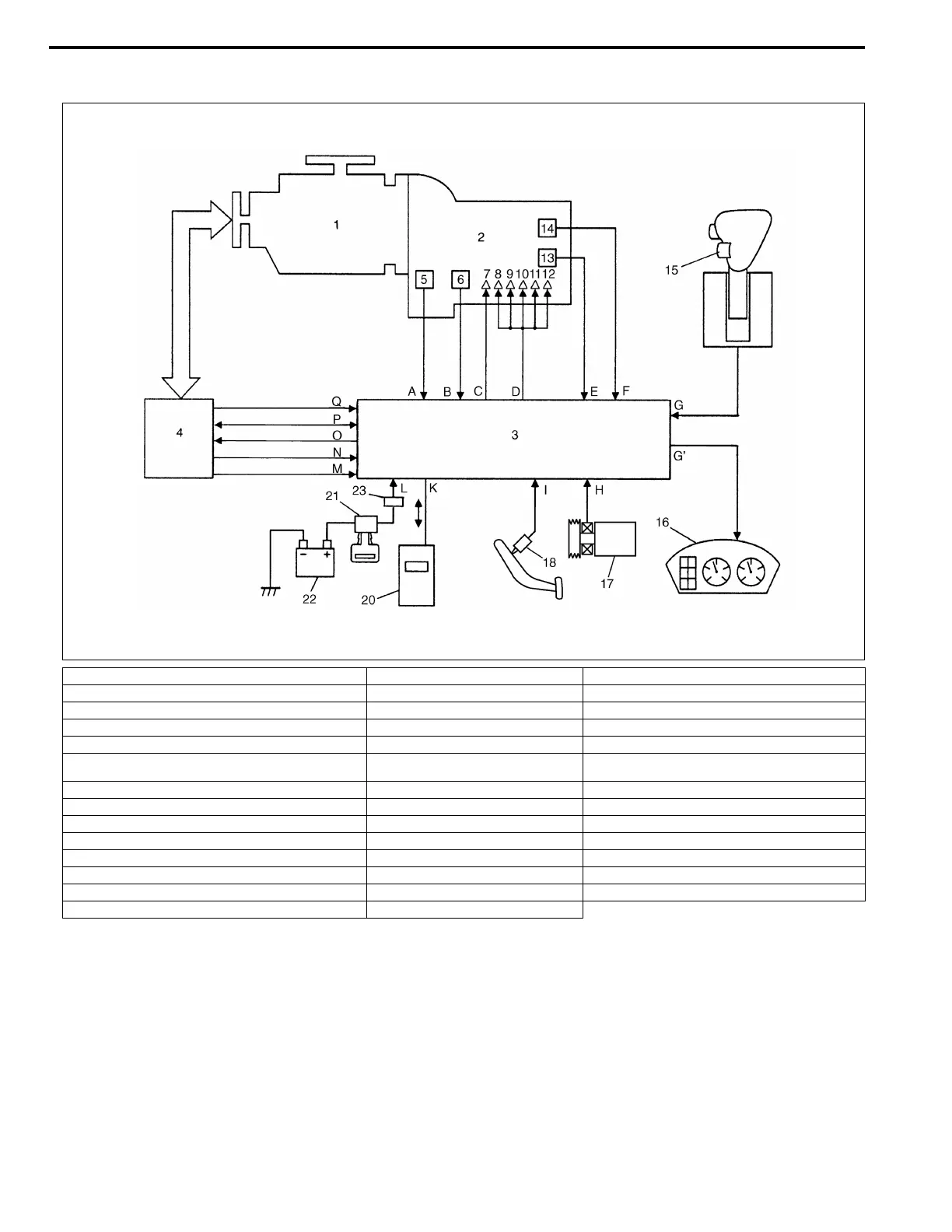
Electronic Shift Control System
1. Engine 15. O/D off switch F. Range signal
2. Transmission 16. Combination meter (O/D off lamp) G. O/D off switch signal
3. TCM 17. A/C compressor G’. O/D off lamp signal
4. ECM 18. Brake lamp switch H. A/C clutch signal
5. Input shaft speed sensor (Turbine rev. sensor) 19. Blank I. Brake signal
6. Transmission fluid temperature sensor (A/T fluid temp.
sensor)
20. Suzuki scan tool J. Blank
7. TCC solenoid (Lock-up solenoid) 21. Ignition switch K. Serial communication with Suzuki scan tool
8. Shift solenoid-A (Shift solenoid No.1) 22. Battery L. Power supply
9. Shift solenoid-B (Shift solenoid No.2) 23. A/T relay M. Throttle opening signal
10. Shift solenoid-C (Shift solenoid No.3) A. Turbine speed signal N. Engine coolant temp./Barometric pressure signal
11. Shift solenoid-D (Shift solenoid No.4) B. A/T fluid temp signal O. Idle up signal
12. Shift solenoid-E (Shift solenoid No.5) C. TCC (lock-up) control signal P. A/T failure signal
13. Output shaft speed sensor (A/T VSS) D. Shift control signal Q. Engine speed (rev.) signal.
14. Transmission range sensor (Shift switch) E. A/T output shaft speed signal

Table of Contents

Related product manuals