EasyManua.ls Logo

Suzuki Wagon R RB310 - SDM Cannot Communicate through the Serial Data Circuit

Suzuki Wagon R RB310
254 pages
Print Icon
To Next Page IconTo Next Page
To Next Page IconTo Next Page
To Previous Page IconTo Previous Page
To Previous Page IconTo Previous Page
Loading...
AIR BAG SYSTEM 10B-19
SDM Cannot Communicate through the Serial Data Circuit
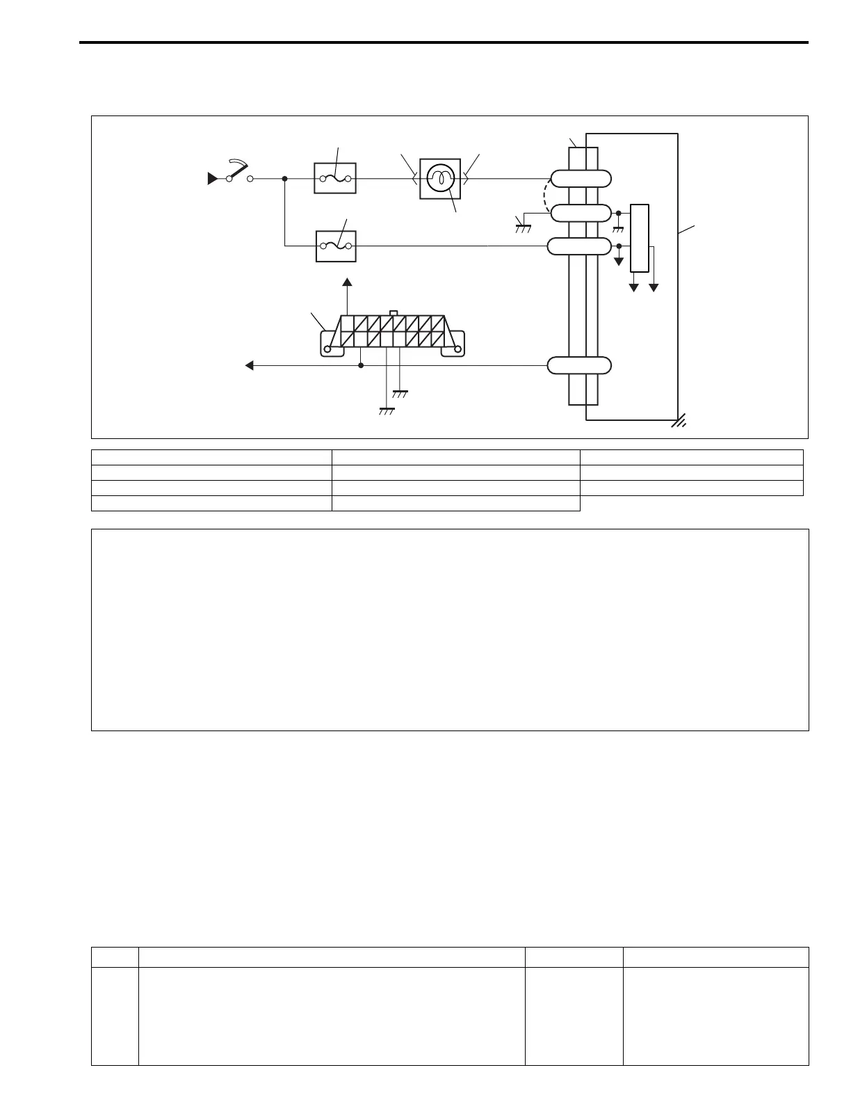
WIRING DIAGRAM
TABLE TEST DESCRIPTION
STEP 1 : An improper connection to the data link connector (DLC) will prevent communications from being
established.
STEP 2 : This test checks whether it is possible to communicate with other control module.
STEP 3 : This test checks for an open in serial data power circuit.
STEP 4 : This test checks for an open in serial data ground circuit.
STEP 5 : This test checks for an open in A/B serial data circuit.
DIAGNOSTIC FLOW TABLE
1. From main fuse 5. “AIR BAG” fuse 9. Ground for air bag system
2. Ignition switch 6. SDM 10. Ground on body
3. “METER” fuse 7. DLC (“G09”) 11. Ground on Engine block
4. “AIR BAG” warning lamp in combination meter 8. To ECM, and ABS control module (if equipped)
GRN
GRN
BLK/RED
BLU
BLU/RED
+30V+5V
WHT/REDWHT/RED
BLK
“G66”
G66-30
G66-32
G66-28
G66-31
BLK
BRN
WHT/BLU
“G25” “G25”
1
2
3
5
4
9
6
1
7
8
10
11
CAUTION:
Be sure to perform AIR BAG DIAGNOSTIC SYSTEM CHECK before starting diagnosis according to
flow table.
When measurement of resistance or voltage is required in this table, use a specified digital multim-
eter (refer to SPECIAL TOOL in this section.) along with a correct terminal adapter from special tool
(Connector test adapter kit).
When a check for proper connection is required, refer to INTERMITTENTS AND POOR CONNEC-
TIONS in this section.
If there is open circuit in the air bag wire harness (in instrument panel harness), connector or termi-
nal is found damaged, replace the wire harness, connector and terminal as an assembly.
Step Action Yes No
1 1) Make sure that SUZUKI scan tool is free from malfunc-
tion and set correctly for air bag system is used.
2) Ignition switch OFF.
3) Check proper connection of SUZUKI scan tool to DLC.
Is scan tool connector connected to DLC securely?
Go to step 2. Properly connect SUZUKI
scan tool to DLC.

Table of Contents

Related product manuals