EasyManua.ls Logo

Telos TWOx12 - Input- (to Caller ) Left & Right Analog Audio

Telos TWOx12
225 pages
Print Icon
To Next Page IconTo Next Page
To Next Page IconTo Next Page
To Previous Page IconTo Previous Page
To Previous Page IconTo Previous Page
Loading...
TELOS TWOX12 USER’S MANUAL
INSTALLATION
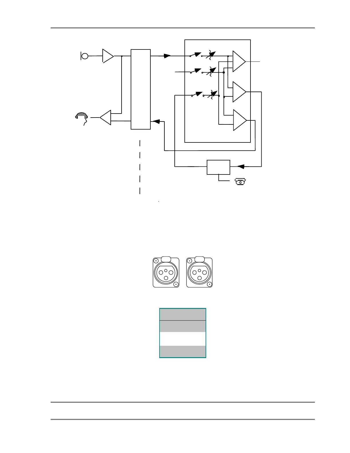
CHAPTER 2 35
Main Pro
ra
Out
p
ut
Σ
Σ
Σ
Σ
Tele
p
hone
Mix-Minus
Remote
Mix-Minus
Studio Console
Other Sources
for music, etc.
Zephyr
Trans-
mission
Path
Phone
Hybrid
REMOTE SITE STUDIO
Microphone
Talent Headset
Diagram showing system set-up for remotes with delay in the transmission path and calls taken at
the studio.
2.6.2 Input- (To Caller ) Left & Right Analog Audio
1 2
INPUT – (TO CALLER)
PI
N
FUNCTION
1 Ground
2
Audio +
3 Audio -
The analog audio inputs have the following characteristics:

Table of Contents

Other manuals for Telos TWOx12