EasyManua.ls Logo

Volvo Penta EVC EC -C - D4, D6, D9, D12, D16 Wiring Diagrams

Volvo Penta EVC EC -C
138 pages
Print Icon
To Next Page IconTo Next Page
To Next Page IconTo Next Page
To Previous Page IconTo Previous Page
To Previous Page IconTo Previous Page
Loading...
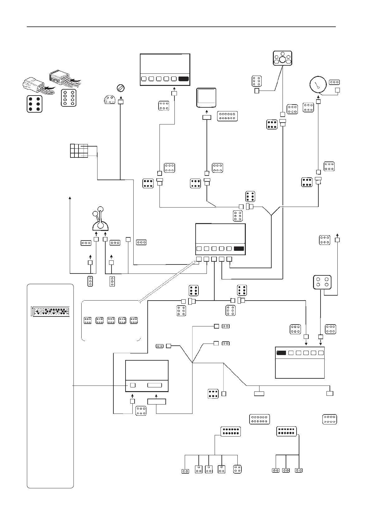
PCU X3 connector.
Wire color and pin
configuration.
Reverse gear
D4, D6, D9, D12, D16
Female
connector
(socket)
All connectors
(male and female)
are wieved from cable side
Male
connector
(pin)
Wire color coding
R red
W white
Y yellow
P pink
GR gray
SB black
BL blue
LBL light-blue
OR orange
BN brown
LBN light-brown
GN green
VO violet
PU purple
PCU configuration
X2 Green Data link - EVC bus cable
X3 Pink Engine and transmission
R (red) + (positive
SB (black) – (negative)
HCU
Main station
EVC
system
display
Key
switch
1 SB
2 R
3 —
4 —
5 —
6 —
R 6
Y/W 5
SB 4
(30) R 1
(50) R/Y 2
— 3
(15a) R/BL 4
(S) VO 5
1 Y/GR
2 Y/GR
3 Y/W
R 6
Y/W 5
SB 4
EVC
control panel
1 —
2 SB/W
3 —
R 6
W 5
SB 4
Starboard
Sync. cable
1 Y/GR
2 Y/GR
3 Y/W
R 6
Y/W 5
SB 4
SB 4
Y/W 5
R 6
3 Y/W
2 Y/GR
1 Y/GR
SB 4
Y/W 5
R 6
3 Y/W
2 Y/GR
1 Y/GR
— 12
— 11
— 10
— 9
Y/W 8
Y/GR 7
X5 MULTILINK
yellow
3 SB
2 SB/W
1 R
MULTILINK
MULTILINK
BREAKOUT
Y-split
Auxiliary bus.
To X3 AUX on
HCU starboard.
3 Y/W
2 Y/GR
1 Y/GR
SB 4
Y/W 5
R 6
1 VO
2 —
3 R/Y
X5
X4
X3
X2
X7
X8
X5
X4
X3
X2
X7
X8
X7
X8
X2
X3
X5
X4
HCU
Secondary
station
PCU
HCU
Main station
Extension cable
Start/stop
panel
MULTILINK
yellow
CONN X4
gray
CONN X3
pink
CONN X2
green
CONN X7
blue
X3
X2
CONN X2
green
1 Y/GR
2 Y/GR
3 Y/W
R 6
Y/W 5
SB 4
R 6
W 5
SB 4
1 R/BL
2 SB/W
3 Y
1 VO
2 R/BL
3 R/Y
R 6
SB 5
— 4
1 R
2 Y/W
3 SB
R 6
Y/GR 5
SB 4
1 BL/R
2 SB/W
3 Y
R 6
W 5
SB 4
R 6
Y/GR 5
SB 4
R 1
Y/W 2
SB 3
6 R
5 Y/GR
4 SB
1 R
2 Y/W
3 SB
R 1
Y/W 2
SB 3
6 R
5 Y/GR
4 SB
1 BL/R
2 SB/W
3 Y
CONN X3
pink
FUEL LEVEL
CONN.
SB 1
GN/SB 2
SB 1
BL/SB 2
ENGINE
CONN.
GEARBOX
CONN.
DIAGNOS
CONN.
3 SB
2 W/SB
1 R
1 BL/GN
2 BN/SB
3 BL/BN
4 SB/BN
5 GR/BL
6 SB/BL
1 Y/W
2 Y/GR
3 SB
4 R
1 R/BL (+)
2 R/Y (–)
3 R/GN
Throttle
pot.
Gear
pot.
1 R/BL (+)
2 R/Y (–)
3 SB/Y
1 R/Y
2 —
3 SB/BL
Neutral
switch
1 VO
2 —
3 R/Y
R 6
SB 5
— 4
WATER LEVEL
CONN.
RUDDER
CONN.
1 SB
2 GN/R
Port (RED)
Starboard (GREEN)
Port
Port
Port
R 6
SB 5
— 4
4 SB
2 R
1 Y/GR
2 Y/GR
3 Y/W
R 6
Y/W 5
SB 4
SB 4
W 5
R 6
R 6
W 5
SB 4
— 4
W 5
— 6
W/SB 8
W 7
BN 6
R/BL 5
— 12
SB/GR 11
SB 10
GR/OR 9
BL/OR 8
R 7
HCU configuration
X2 Green Data link - EVC bus cable
X3 Pink Auxiliary bus - EVC control panel
X4 Gray Key switch alt. start/stop panel
X5 Yellow Multilink - tachometer/instruments, twin
engine synchronization, EVC system
display, NMEA interfaces, multisensor
X7 Blue Contols
X8 Not used (plugged)
BL/GN 1
GN/SB 2
BL/BN 1
BN/SB 2
BL/GR 1
BL/SB 2
SB 1
GR/OR 2
GR/SB 1
SB 2
BL/GN 1
GN/SB 2
BL/BN 1
BN/SB 2
GR/SB 1
SB 2
Throttle
pot.
R/Y 1
— 2
SB/BL 3
6 SB/BL
5 GR/BL
4 SB/BN
3 BL/BN
2 SB/GN
1 BL/GN
R 7
BL/OR 8
GR/OR 9
SB 10
SB/GR 11
— 12
1 BL/GN
2 SB/GN
3 BL/BN
4 SB/BN
5 —
6 —
— 12
SB/GR 11
SB 10
— 9
— 8
— 7
D4
D6
D9
D12
D16
R 6
Y/W 5
SB 4
1 Y/GR
2 Y/GR
3 SB
Y/GR 1
Y/GR 2
Y/W 3
6 R
5 Y/W
4 SB
R 6
W 5
SB 4
1 —
2 SB/W
3 —
1 Y/GR
2 Y/GR
3 Y/W
1 R
2 BL
3 Y
Instru-
ments
Tachometer
(mandatory)
1 Y/GR
2 Y/GR
3 Y/W
R 6
Y/W 5
SB 4
1 R/GN
2 SB/BL
3 —
R/Y 6
SB/Y 5
R/BL 4
R 6
Y/GR 5
SB 4
1 R
2 Y/W
3 SB
Pin cavity no.
Wire color
1
2
3
4 GR/OR
5 SB/W
6 BN
7 Y/GR
8 SB/GN
9 BL/BN
10 SB/GN
11 SB
12
13
14 SB
15 W
16 R/GN
17 Y/W
18 BL/GN
19 SB/BN
20 BL/OR
21
22 SB/BL
23 R/BL
24
25 BL/GR
26 SB/GR
27 SB/BL
28 R
29 R
124
Wiring color and pin-out schematics EVC-C

Table of Contents

Related product manuals