EasyManua.ls Logo

wsm L3301 - Page 446

wsm L3301
662 pages
Print Icon
To Next Page IconTo Next Page
To Next Page IconTo Next Page
To Previous Page IconTo Previous Page
To Previous Page IconTo Previous Page
Loading...
BRAKES
L3301, L3901, L4701, WSM
5-M2
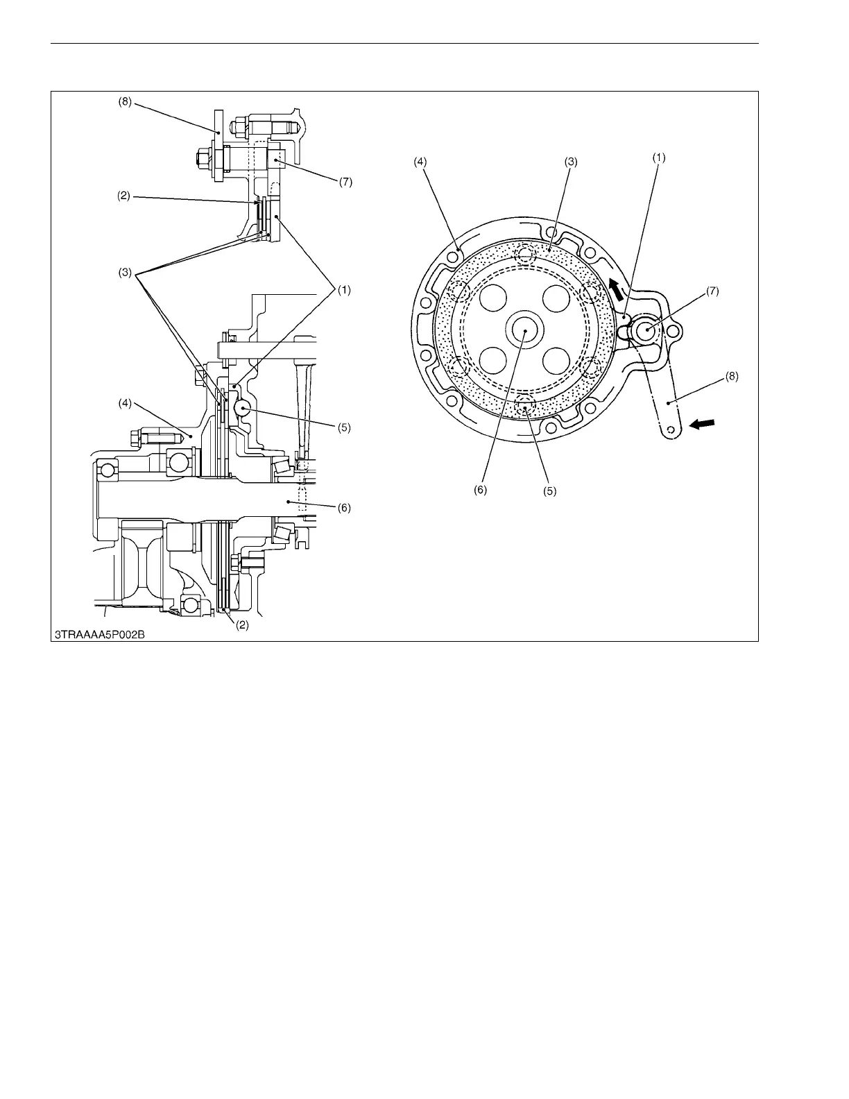
2. OPERATION
The brake body is incorporated in the brake case (4) filled with transmission oil and is designed to brake when
the brake disc (3) splined with the differential gear shaft (6) is pressed against the cam plate (1) by means of the cam
mechanism incorporating steel balls (5).
For greater braking force, two brake discs are provided at the right and left sides respectively, and the steel plate
(2) fixed to the brake case is arranged between the brake discs.
During Braking
When the brake pedal is pressed, the linkage causes the brake cam lever (8) and brake cam (7) to turn into the
direction of arrow shown in the above figure.
Therefore, the cam plate (1) also moves the direction of arrow. At this time, since the cam plate (1) rides on the
steel balls (5) set in the grooves of the transmission case to press the brake disc (3), the differential gear shaft (6) is
braked by the frictional force generated by the cam plate (1) and brake disc (3).
9Y1211012BRM0004US0
(1) Cam Plate
(2) Steel Plate
(3) Brake Disc
(4) Brake Case
(5) Steel Ball
(6) Brake Shaft
(Differential Gear Shaft)
(7) Brake Cam
(8) Brake Cam Lever
KiSC issued 09, 2016 A

Table of Contents