EasyManua.ls Logo

YASKAWA JUSP-MD D01A Series - Application Example of Safety Functions

YASKAWA JUSP-MD D01A Series
363 pages
To Next Page IconTo Next Page
To Next Page IconTo Next Page
To Previous Page IconTo Previous Page
To Previous Page IconTo Previous Page
Loading...
5.11 Safety Function
5-85
5
Operation
5.11.3 Application Example of Safety Functions
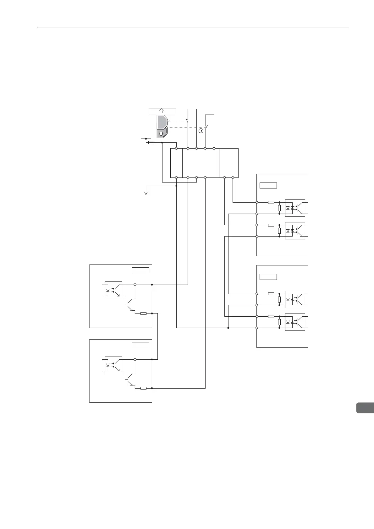
An example of using safety functions is shown below.
(1) Connection Example
In the following example, a safety unit is used and the HWBB function operates when the guard opens.
When a guard opens, both of signals, the /HWBB1 and the /HWBB2, turn OFF, and the EDM1 signal turns
ON. Since the feedback is ON when the guard closes, the safety unit is reset, and the /HWBB1 and the /
HWBB2 signals turn ON, and the operation becomes possible.
Note: The EDM1 signal is used as a sourcing output. Connect the EDM1 so that the current flows from EMD1+ to EMD1-.
(2) Failure Detection Method
In case of a failure such as the /HWBB1 or the /HWBB2 signal remains ON, the safety unit is not reset when
the guard closes because the EDM1 signal keeps OFF. Therefore starting is impossible, then the failure is
detected.
In this case, an error in the external device, disconnection or short-circuiting of the external wiring, or a failure
in the SERVOPACK or converter must be considered. Find the cause and correct the problem.
SERVOPACK 1
CN8
CN8
8/EDM1+
7 /EDM1-
SERVOPACK 2
8/EDM1+
7 /EDM1-
24-V
power supply
0 V
Fuse
Power
supply
input
Inputs
Outputs
A1
A2
T11 T12 T21 T22
T31 T32 T33 S24S14
Reset/
feedback inputs
/HWBB1+
/HWBB1-
/HWBB2+
/HWBB2-
SERVOPACK 1
CN8
4
3
6
5
/HWBB1+
/HWBB1-
/HWBB2+
/HWBB2-
SERVOPACK 2
CN8
4
3
6
5
Close
G9SX-BC202
safety unit
manufactured
by OMRON Corp.
Limit switch
Card
OpenOpen

Table of Contents

Related product manuals