EasyManua.ls Logo

YASKAWA P7 - Page 47

YASKAWA P7
256 pages
Print Icon
To Next Page IconTo Next Page
To Next Page IconTo Next Page
To Previous Page IconTo Previous Page
To Previous Page IconTo Previous Page
Loading...
Electrical Installation 2 - 19
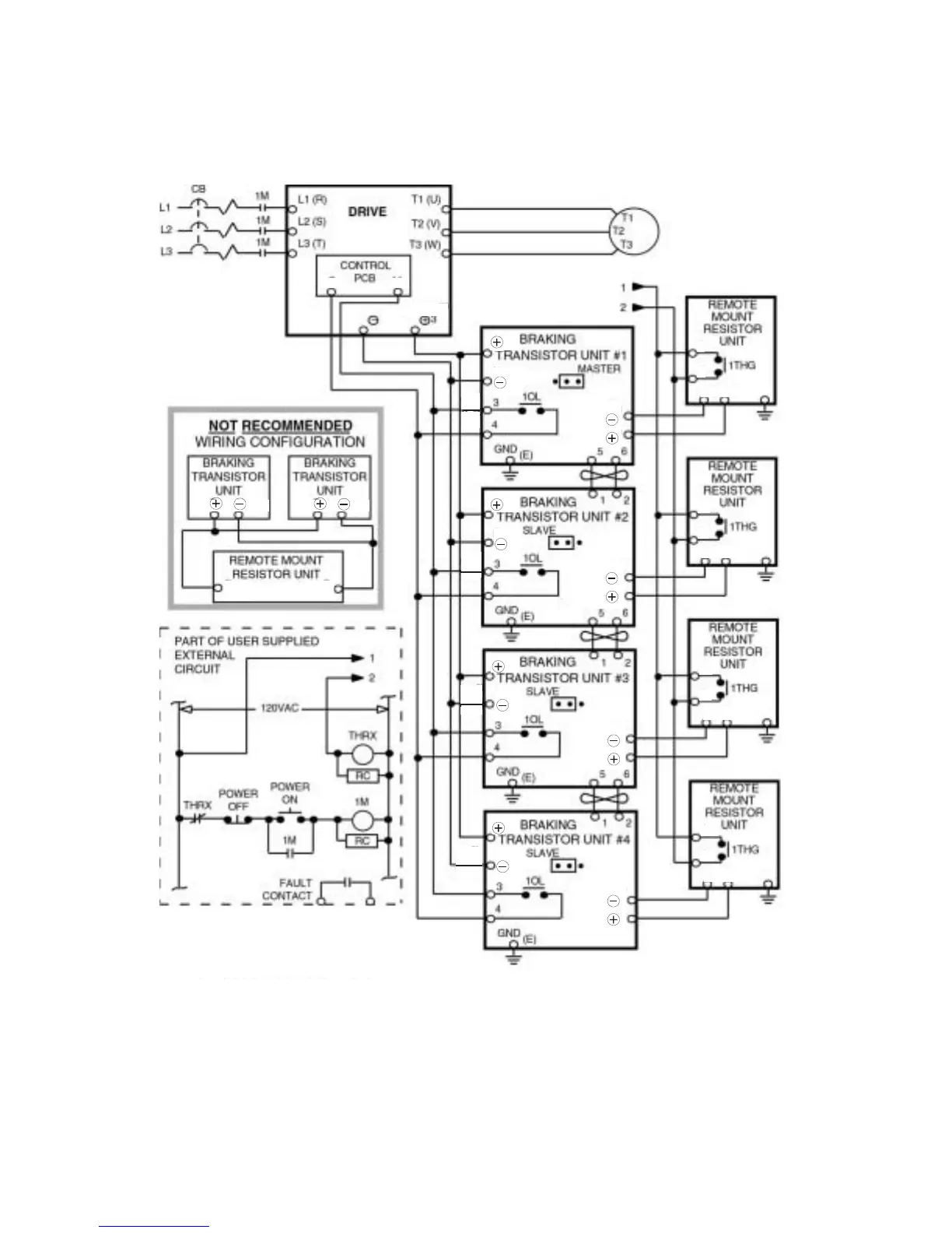
6. If two or more Braking Transistor Units and Remote Mount Resistor Units are being installed, connect them to the Drive
and to external circuitry according to Fig 2.8.
Fig 2.8 Wiring Multiple Braking Transistor Units and Remote Mount Resistor Units to Drive
(P7U2022 thru P7U2110 and P7U4022 thru P7U4300)
IM
S3
SN
0
0
0
0
0
0
0
0
R1 R2
R1 R2
R1 R2
R1 R2
0
0
0
0
R2
R1
Note: Connect only the number of braking transistor units and remote mount resistor units required for the application.

Table of Contents

Related product manuals