EasyManua.ls Logo

ABB SensyMaster FMT430 - Installing the Transmitter in the Remote Mount Design

ABB SensyMaster FMT430
160 pages
Print Icon
To Next Page IconTo Next Page
To Next Page IconTo Next Page
To Previous Page IconTo Previous Page
To Previous Page IconTo Previous Page
Loading...
46 SensyMaster FMT430, FMT450 THERMAL MASS FLOWMETER | OI/FMT430/450-EN REV. B
6 Installation
Installing the transmitter in the remote mount design
When selecting a location for the transmitter, consider the
following points:
Observe the information concerning maximum ambient
temperature and IP rating on the name plate
The location must be mostly free from vibration.
The location must not be exposed to direct sunlight. If
necessary provide a sun screen on site.
Do not up-scale the maximum signal cable length
between the transmitter and the sensor.
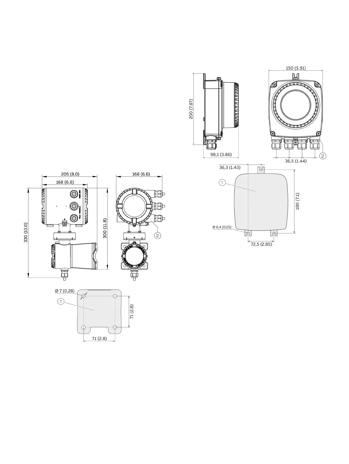
1. Drill mounting holes at mounting location.
2. Attach transmitter securely to the mounting location
using suited fasteners for the base material.
1
Hole pattern for mounting holes
2
Female thread (either ½ in NPT or M20 × 1.5), see model coding. In the
case of a ½ in NPT, there is a plug instead of a cable gland.
Figure 31: Mounting dimensions dual-compartment housing
1
Hole pattern for mounting holes
2
Female thread (either ½ in NPT or M20 × 1.5), see model coding. In the
case of a ½ in NPT, there is a plug instead of a cable gland.
Figure 32: Mounting dimensions single-compartment housing

Table of Contents

Related product manuals