EasyManua.ls Logo

ACUTRONIC fabian Therapy evolution - Gas Blender Function

ACUTRONIC fabian Therapy evolution
106 pages
Print Icon
To Next Page IconTo Next Page
To Next Page IconTo Next Page
To Previous Page IconTo Previous Page
To Previous Page IconTo Previous Page
Loading...
92 Technical specifications
fabian Therapy evolution | SW 5.1.x
Ref: 121003.EN / Date 2020-01-22
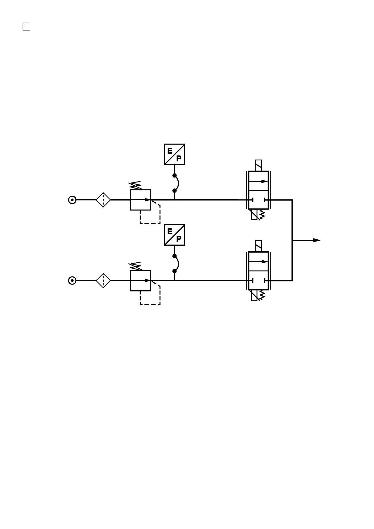
17.10 Gas blender function
The Air Oxygen Blender provides a Gas blend with adjustable proportions of Oxygen and Air.
Gas from the central gas supply enters the device through the gas input connections.
Blending of the gases occurs through two proportional valves.
The Proportional Valves, which also act as return valves, prevent the return flow of a gas into the
supply line of the other gas.
An Oxygen sensor measures the Inspiratory Oxygen Concentration.
Internal Gas Blending function of the fabian Therapy evolution
1. Oxygen 2.0 to 6.0 bar
2. Air 2.0 to 6.0 bar
3. Filters
4. Pressure regulators
5. Pressure sensors
6. Proportional valve
7. To manifold
The minimum base flow is 4 Lpm in all modes except in O
2
Therapy.
Time till O
2
change is reached within Altera circuit set:
up to 37 sec with default flow rate
up to 75 sec with minimum flow rate
For more information, refer to the Technical Service Manual.
1
2
3
4
5
6
7

Table of Contents

Related product manuals