EasyManua.ls Logo

Avery Dennison SNAP 700 - Electrical System Schematic

Avery Dennison SNAP 700
176 pages
Print Icon
To Next Page IconTo Next Page
To Next Page IconTo Next Page
To Previous Page IconTo Previous Page
To Previous Page IconTo Previous Page
Loading...
User’s Manual—SNAP™ 700 Printer 119
Classification: Avery Dennison - Public
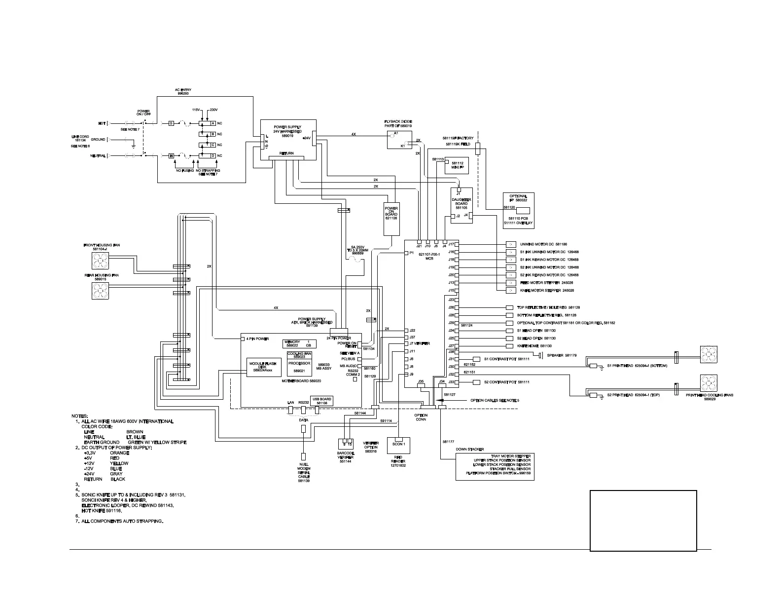
12.1 Electrical System Schematic
For RFID Printer
use MCB No.
621107RFID TM

Table of Contents

Other manuals for Avery Dennison SNAP 700

Related product manuals