EasyManua.ls Logo

Baumuller BM4400 - Page 269

Baumuller BM4400
360 pages
Print Icon
To Next Page IconTo Next Page
To Next Page IconTo Next Page
To Previous Page IconTo Previous Page
To Previous Page IconTo Previous Page
Loading...
Accessories and Spare Parts
Instruction handbook b maXX BM4400, BM4600, BM4700
Document No.: 5.12008.07
269
of 358
11
5)
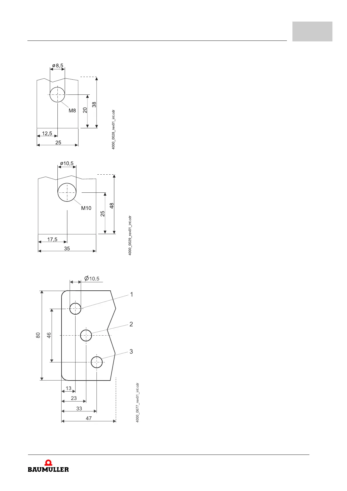
Connection lugs ((current bars). Position see ZFigure 87on page 186
Screw maximum two cable lugs to the current bar - one on the front side, one on the reverse
side of the bar.
6)
Connection lugs (current bars). Position see ZFigure 87on page 186
Screw maximum two cable lugs to the current bar - one on the front side, one on the
reverse side of the bar.
7)
Connection lugs (current bars). Position see ZFigure 90on page 189
At connection cross-section 95 mm
2
,Cable lug width max. 25 mm:
Screw maximum two cable lugs to the current bar - one on the front side, one on
the reverse side of the bar.
At connection cross-section 185 mm
2
,Cable lug width max. 35 mm:
Screw two cable lugs to the current bar at maximum- one on the front side, one on
the reverse side of the bar.

Table of Contents

Related product manuals