EasyManua.ls Logo

Baumuller BM4400 - Wiring Diagrams

Baumuller BM4400
360 pages
Print Icon
To Next Page IconTo Next Page
To Next Page IconTo Next Page
To Previous Page IconTo Previous Page
To Previous Page IconTo Previous Page
Loading...
Installation
Instruction handbook b maXX BM4400, BM4600, BM4700
Document No.: 5.12008.07
173
of 358
7
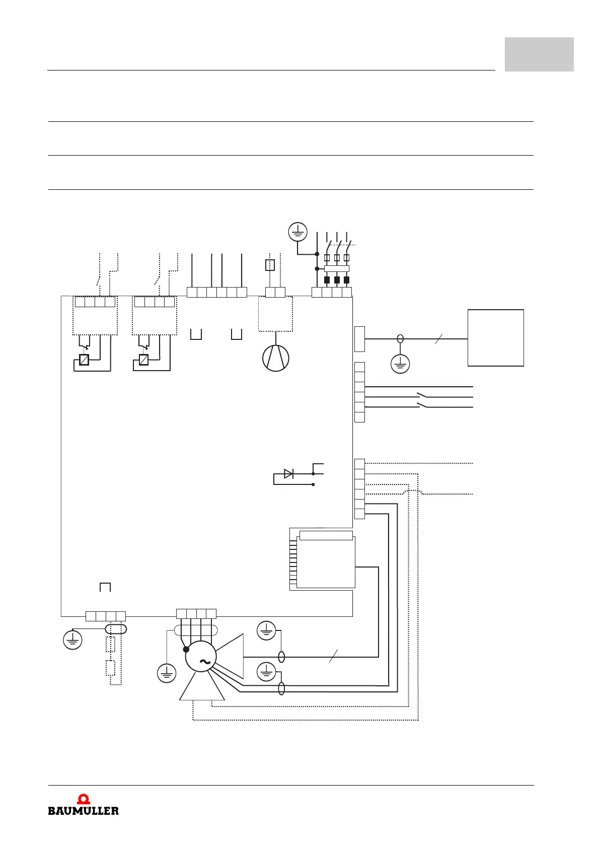
7.10 Wiring diagrams
7.10.1 Connection diagrams
7.10.1.1 BM44XX, BM46XX, BM47XX (basic units)
4000_0059_rev12_int.cdr
X3-3
X3-2
X3-1
X3-4
X3-5
X3-6
X101-2
X101-1
X101-3
X101-4
X101-5
X101-6
9
15
3
M
R
S3
X1
L1
L2
S1
S2
X1
A
PE VUW
X36-L
X36-N
B
M24V
X102-2
X103-2
X100-2
X100-3
X100-4
X100-5
X100-6
1U2
1V2
1W2
PE
BM4-ENC-XX
+24V**
+24V
+24V
M24V
M24V
PC
ProDrive
SUB-D, 1:1
1U1
1V1
1W1
PE
ENC
X100-1
Ba+
1C1
1D1
Ba-
X102-3
X103-3
X102-4
X103-4
X102-1
X103-1
+24V**
230 V
*
M24V
M24V
+24V
+24V
Motor temperature
bra
Mains bus
Ballast bus
Figure 77: Connection diagram with a directly controlled motor brake - basic units

Table of Contents

Related product manuals