EasyManua.ls Logo

Bosch rexroth IndraDrive Mi KMS03 - Page 127

Bosch rexroth IndraDrive Mi KMS03
422 pages
Print Icon
To Next Page IconTo Next Page
To Next Page IconTo Next Page
To Previous Page IconTo Previous Page
To Previous Page IconTo Previous Page
Loading...
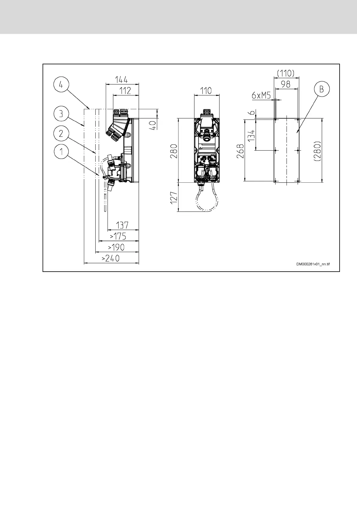
KMS03.1B-B036
1 Mounting clearance (standard)
2 Mounting clearance with optional master communication output
coupling
3 More mounting clearance with HAS10 accessory (fixing clip for
hybrid cable connectors). More mounting clearance is required
to install the HAS10 accessory with a screwdriver.
4 Mounting clearance with cable outlet away from housing
B Drilling pattern
Fig. 5-34: KMS03.1B-B, dimensions
IndraDrive Mi Drive Systems with KCU02, KSM02,
KMS02/03, KMV03, KNK03, KLC03
113/407
Technical data of the components
R911335703_Edition 04 Bosch Rexroth AG

Table of Contents

Related product manuals