EasyManua.ls Logo

Bosch rexroth IndraDrive Mi KMS03 - Page 174

Bosch rexroth IndraDrive Mi KMS03
422 pages
Print Icon
To Next Page IconTo Next Page
To Next Page IconTo Next Page
To Previous Page IconTo Previous Page
To Previous Page IconTo Previous Page
Loading...
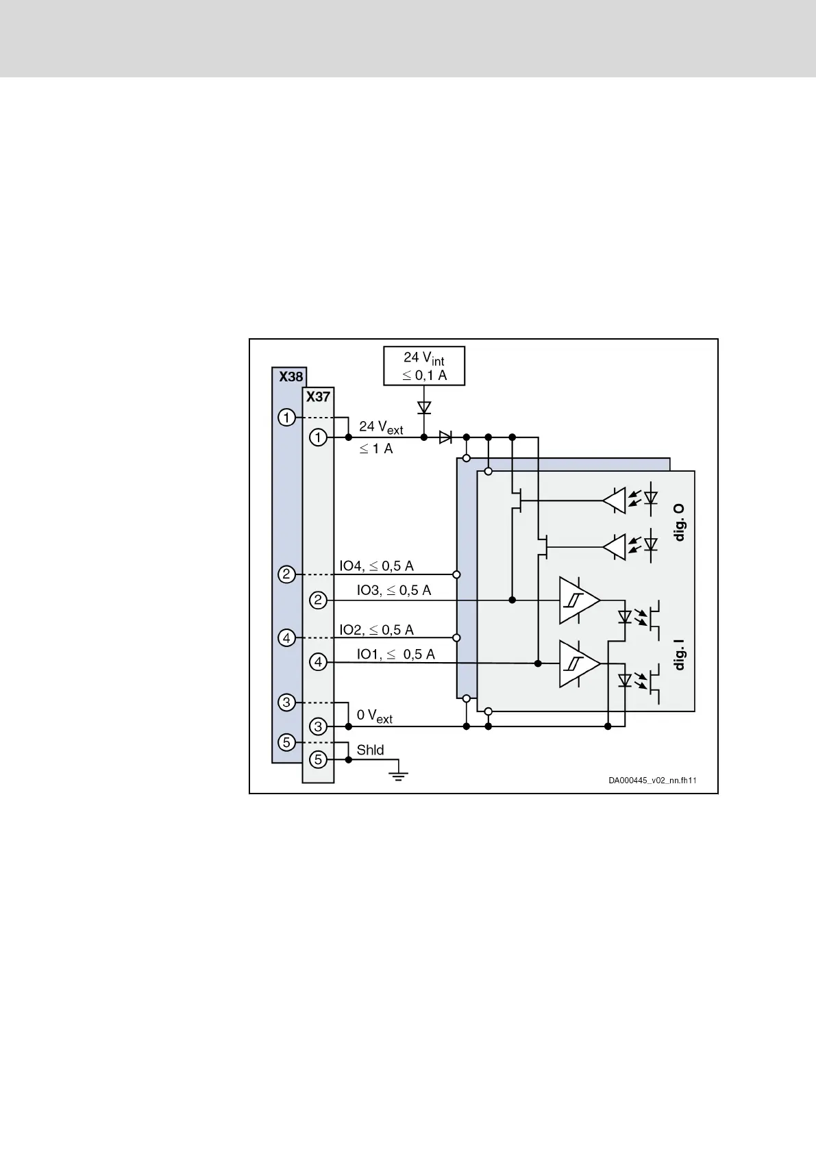
The outputs and U
ext
are internally supplied with isolated 24 V (±20%).
This allows sensors to be directly (without any additional external 24 V
supply) connected to KSM/KMS, if their total current consumption (X37
and X38) is smaller than 100 mA.
If more current is required in total, 24 V has to be supplied externally in
addition, via connections X38.1 or X37.1 (U
ext
).
Each of the short-circuit proof outputs can be loaded with 0.5 A. In total,
a maximum of 1 A is possible.
In the condition as supplied, there is an O-ring at the root of the thread
between the female connector insert and the electronics housing which
assures the tightness of the M12 female connectors. Neither the
protective cap nor the connector is tight without this O‑ring!
Internal design
dig. I Digital input
dig. O Digital output
24 V
int
Voltage from internal power supply
24 V
ext
Voltage from external power supply
Shld Shield
Fig. 6-4: Internal design of the digital inputs and digital outputs
160/407
Connection points
IndraDrive Mi Drive Systems with KCU02, KSM02,
KMS02/03, KMV03, KNK03, KLC03
Bosch Rexroth AG R911335703_Edition 04

Table of Contents

Related product manuals