EasyManua.ls Logo

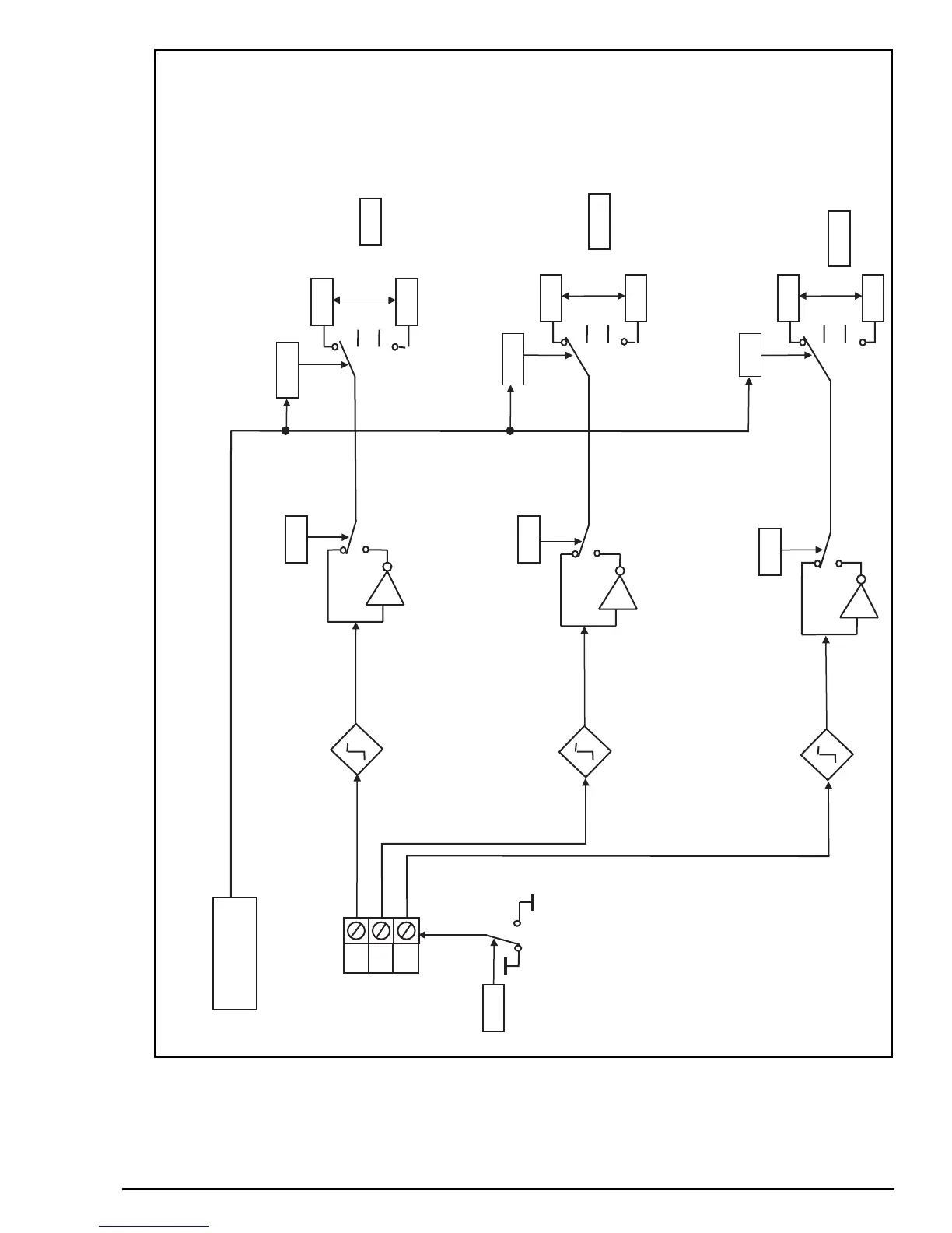
Control Techniques COMMANDER SE - MENU 8 B Digital Inputs

Control Techniques COMMANDER SE
195 pages
Print Icon
To Next Page IconTo Next Page
To Next Page IconTo Next Page
To Previous Page IconTo Previous Page
To Previous Page IconTo Previous Page
Loading...
Commander SE Advanced User Guide 71
Issue Number: 4
Monitor
8.02
9
10
11
Input logic
polarity
8.29
0
1
1.01
8.23
Destination
(Any bit
parameter )
Default destination
6.30
Run Forward
(Defined by
6.04)
Monitor
8.03
Invert
0
1
8.13
Destination
(Any bit
parameter )
1.01
8.22
Default
destination
6.29
Drive Enable
(Defined by
6.04)
Invert
0
1
8.12
Monitor
8.04
Invert
0
1
8.14
1.01
Destination
(Any bit
parameter )
Default destination
6.32
Run Reverse
(Defined by
6.04)
8.24
Start/Stop logic
6.04
1 : Positive logic
0 : Negative logic
MENU 8B
Digital Inputs
21.51
21.51
21.51

Table of Contents

Other manuals for Control Techniques COMMANDER SE

Related product manuals