EasyManua.ls Logo

Dobot CR5 - Multiplex Digital Input; Digital Output

Dobot CR5
111 pages
Print Icon
To Next Page IconTo Next Page
To Next Page IconTo Next Page
To Previous Page IconTo Previous Page
To Previous Page IconTo Previous Page
Loading...
DOBOT CR5 User Guide 3 Electrical Specifications
Issue V3.5.3.1 (2020-05-09) User Guide Copyright © Yuejiang Technology Co., Ltd
29
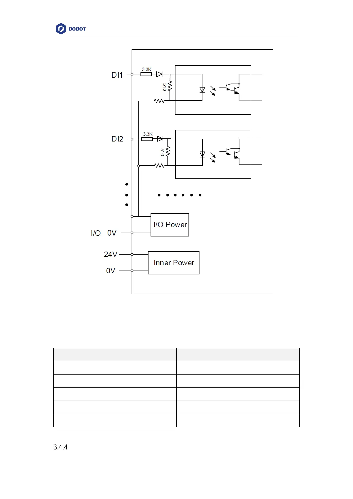
Figure 3.6 Simple digital input circuit
Table 3.8 Technical specifications
Item
Input channel
Connection method
Input type
Input voltage (DC)
Isolation method
Multiplex Digital Input/ Digital Output

Table of Contents

Other manuals for Dobot CR5

Related product manuals