EasyManua.ls Logo

Dodge Stealth 1994 - Page 191

Dodge Stealth 1994
434 pages
Print Icon
To Next Page IconTo Next Page
To Next Page IconTo Next Page
To Previous Page IconTo Previous Page
To Previous Page IconTo Previous Page
Loading...
CIRCUIT DIAGRAMS
-
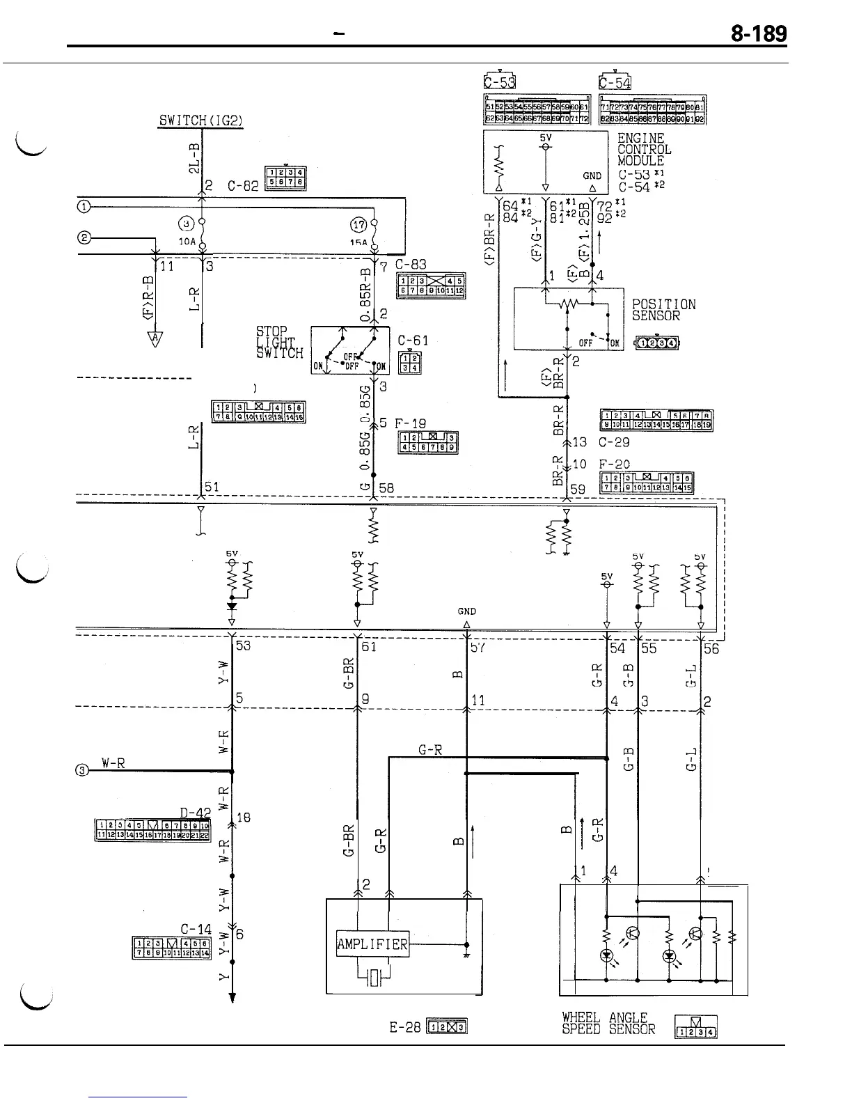
Electronic Control Suspension (ECS) Circuit
8-189
m
Gi'
i
i.
IGNITION
SWITCH(IG2)
@
-------------------;f7
m
&
(1:
c
.!I
&
v
c&2
---_---__-_---_
t
6 F-20
THROTTLE
I=;=~;;ON
B-05
i-1
%
g:
m
9?
&
"
m
u
3 2
,2
1
,,l
3
,p
\
,\
A
/E
5P
,:
I
1
I-
4oP
G SENSOR
E-261=]
SPEED
SENSOR
STEERING
C-60
!W
%FILs~R
pq

Table of Contents

Related product manuals