EasyManua.ls Logo

Dodge Stealth 1994 - Page 195

Dodge Stealth 1994
434 pages
Print Icon
To Next Page IconTo Next Page
To Next Page IconTo Next Page
To Previous Page IconTo Previous Page
To Previous Page IconTo Previous Page
Loading...
CIRCUIT ‘DIAGRAMS
-
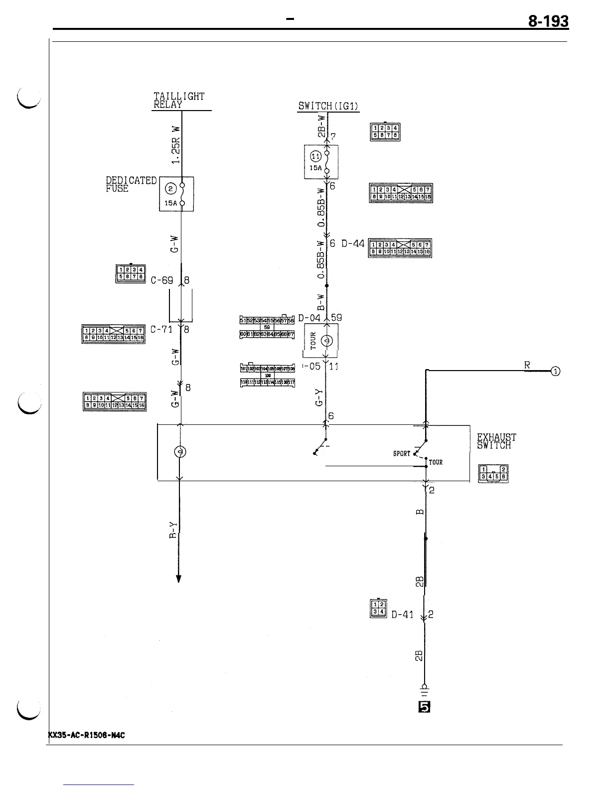
Active Exhaust System Circuit
8-193
ACTIVE EXHAUST SYSTEM CIRCUIT
3
I
I%
c-u
s
F&E';CATED
3
CL
J/B--
D-44
q:
se
J
1
IGNITION
SWITCH(IG1)
71
w7
‘I
C-82
J/B
0
15A
F”
~
%
CD
d
76
%
(33
c-71
D-44
COMBINATION
METER
D-05 112
i
?+
c!l
6
I‘
3
-1
ACTIVE
EB%lT
----------------
ILL
OFF -‘TON
SPORT
D-38
v
"4
14
I
RHEOSTAT
@D-41
12
3%AC-R1506+4C

Table of Contents

Related product manuals