EasyManua.ls Logo

Dodge Stealth 1994 - Page 300

Dodge Stealth 1994
434 pages
Print Icon
To Next Page IconTo Next Page
To Next Page IconTo Next Page
To Previous Page IconTo Previous Page
To Previous Page IconTo Previous Page
Loading...
8-298
CHASSIS ELECTRICAL
-
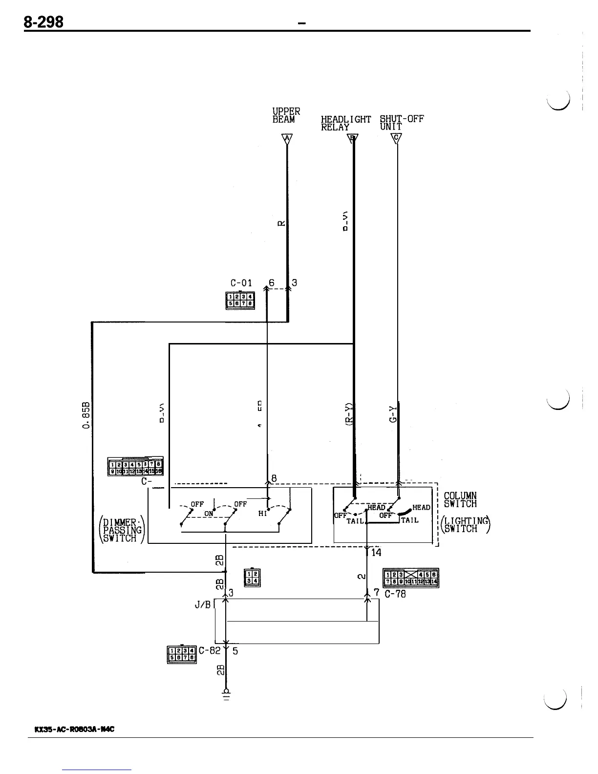
Lighting System
(VEHICLES FOR CANADA) <VEHICLES WITHOUT THEFT-ALARM SYSTEM> (CONTINUED)
C
5
d
.
ziz
3
1
z
l!
jI
3
10
I.
.----_
+I
___ OFF
p$--FF
F
i?
LO
I
1
I
--_____~~-------_~~_____
-----------
El
9
‘34
J
t
8
ia
10
-
0
t
C
q
2
.-----------
-----
i;gR
RELAY
S
d
.
LIGHT
AUTOMATIC
Fw°FF
m
c-u
8
,.3
C-76
h7
C-76
J/Br
"
,\

Table of Contents

Related product manuals