EasyManua.ls Logo

Dodge Stealth 1994 - Page 76

Dodge Stealth 1994
434 pages
Print Icon
To Next Page IconTo Next Page
To Next Page IconTo Next Page
To Previous Page IconTo Previous Page
To Previous Page IconTo Previous Page
Loading...
CIRCUIT DIAGRAMS
-
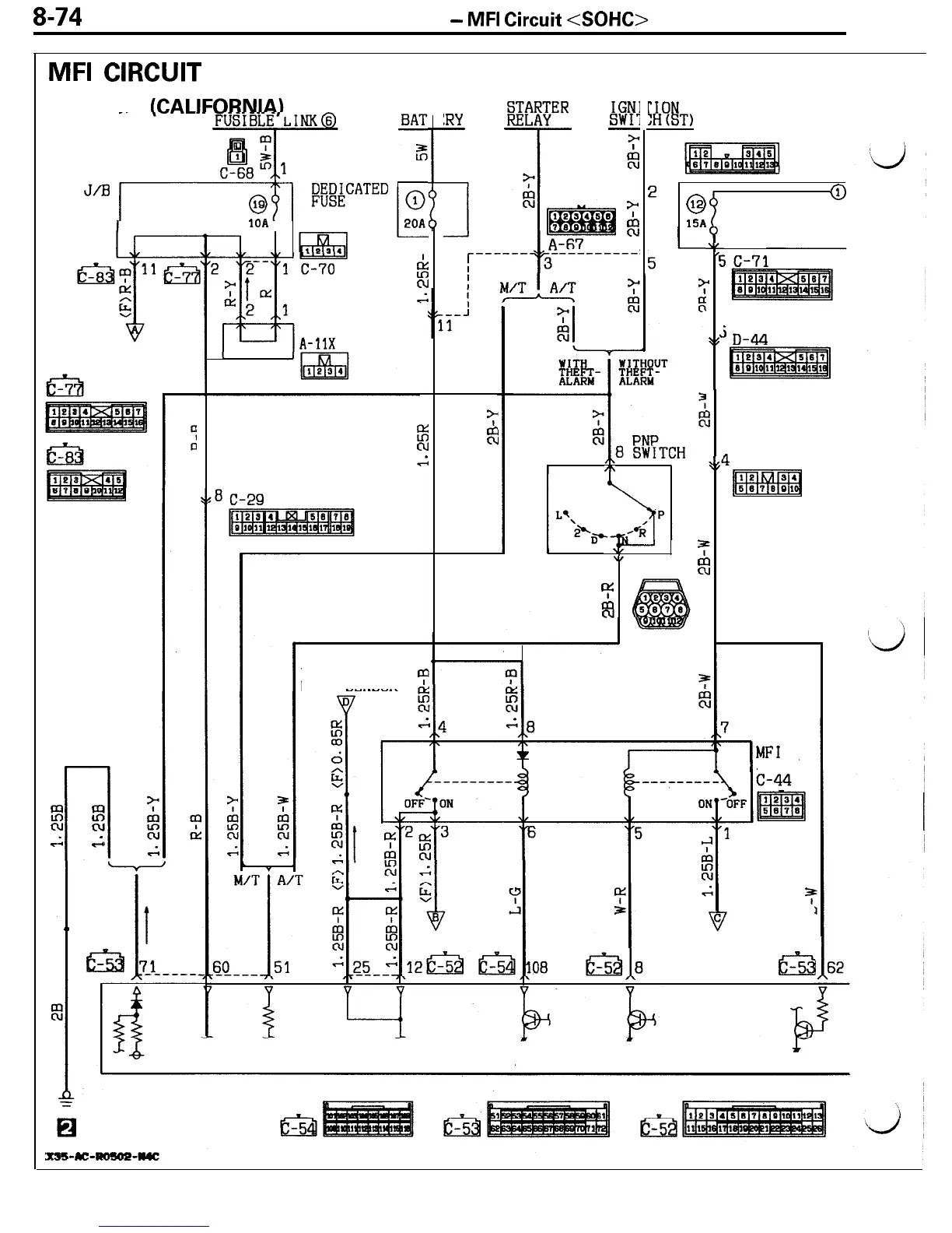
MFI
Circuit
<SOHC>
MFI
CIRCUIT
PJmER
IGNI
:RY
SW17
-
-
-7
<SOHC>
(CALIF~ulN&lA)LIM(
6
J/B
PLACATED
'
IOA
0
L
20A
rION
:H(ST)
c-31
TE
1
ii
?
El
_--_-----:
I
0
@
15A
AL
I
E
i C-71
4
3
F
\9
i
c
m
I
%
cu
IOD OR
STORAGE
CONNECTOR
A-11X
/\
\I
7
\I
7 B-26
g
Ix
I&
cu
m
I
%
cu
.L
?-
E
:
,,1
.I
:
:
2
D-15
j?imq
VOLUME AIR
Pp
FLOW SENSOR
I
MFI
RELAY
%
cu
n
ii
d
;
7
a
M/T 'A/T
"
I
I!3
7-l-----
EL
-53

Table of Contents

Related product manuals