EasyManua.ls Logo

Dodge Stealth 1994 - Page 78

Dodge Stealth 1994
434 pages
Print Icon
To Next Page IconTo Next Page
To Next Page IconTo Next Page
To Previous Page IconTo Previous Page
To Previous Page IconTo Previous Page
Loading...
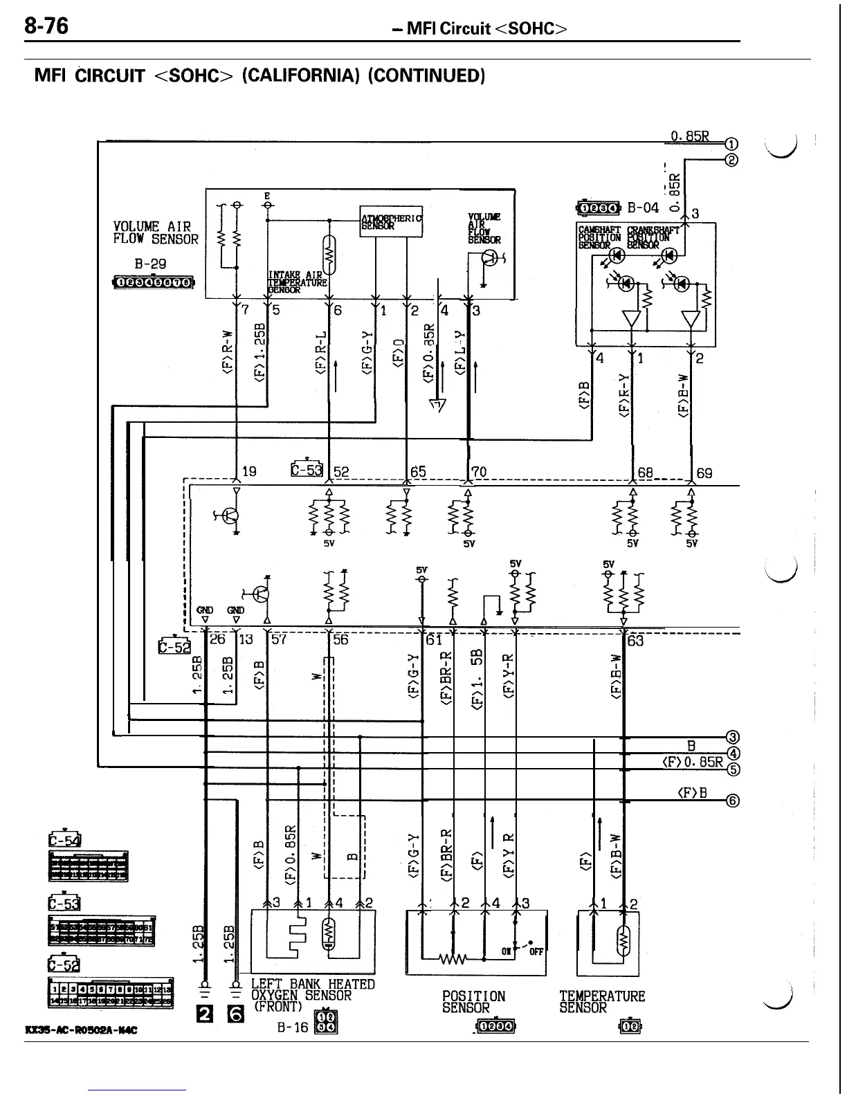
8-76
CIRCUIT DIAGRAMS
-
MFI
Circuit
<SOHC>
MFI
CIRCUIT
<SOHC>
(CALIFORNIA)
(C~NT~IWED)
CRANKSHAFT
POSITION SENSOR
AND CAMSHAFT
El
POSITION SENSOR
7
-
‘4
3;
v
I
I
I
i%----
f
?!L-.~--~~~~~~~~~~~~~
------
i68
169
A
A
d
2-i
!5Y
5V
5V
I
I
I
I
~
I
I
i
(
I
L-.
Ia
-5
g
c
!w
!w
31
64 72 67
g:
f8
w
cu
'
%
;
z
7
co
6
g
'",
5
v
g:
I
I
lx
m I
3
zi
G
2
m
G
&
g
NH
5
s
1
,%2
..4
d.3
..l
I\
/\
,\
/\
-------_-_____
53
ENGINE
CONTROL
MODULE
L
B
0
B
"4
(F)O.85Rg
(F>B
B
L
L
THROTTLE
~f3i3~ON
B-05
!!B
ENGINE COOLANT
;#&ATURE
B-02
f@/'

Table of Contents

Related product manuals