EasyManua.ls Logo

Dodge Stealth 1994 - Page 88

Dodge Stealth 1994
434 pages
Print Icon
To Next Page IconTo Next Page
To Next Page IconTo Next Page
To Previous Page IconTo Previous Page
To Previous Page IconTo Previous Page
Loading...
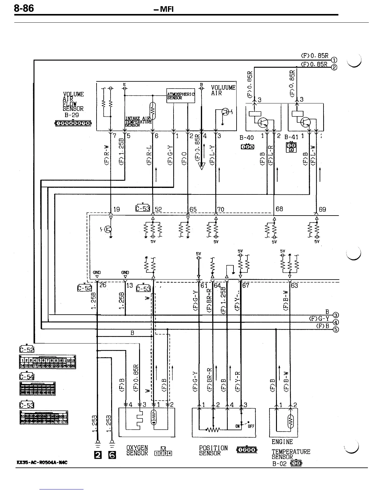
CIRCUIT DIAGRAMS
-
MFI
Circuit <DOHC NON TURBO>
MFI CIRCUIT <DOHC NON TURBO> (FEDERAL AND CANADA) (CONTINUED)
',F>O.S5R
_
(FjO.85R
g
!I5
r5
7
B
;;$JUME
(D
CAMSHAFT
")
CRANKSHAFT
T
6
POSITION
O
POSITION
2 SENSOR
FLOW
g
SENSOR
SENSOR
“1x3
,,3
,,
/\
2
68
-----------
-
---
72
a
$
E
.
__----
!6
13
-5
.
0
I
7
%
cu
PI
.s
---
31
lY
I
g
E
-----------_
56
L
&
1
!
03
m
6
g
g
31
THROTTLE
B-05
ENGlNE
;;;Q;;ON
COOLANT
;ETg';ATURE
\
HEATED C-55
&qgf#
,A,

Table of Contents

Related product manuals