EasyManua.ls Logo

Dodge Stealth 1994 - Page 89

Dodge Stealth 1994
434 pages
Print Icon
To Next Page IconTo Next Page
To Next Page IconTo Next Page
To Previous Page IconTo Previous Page
To Previous Page IconTo Previous Page
Loading...
i
CIRCUIT DIAGRAMS
-
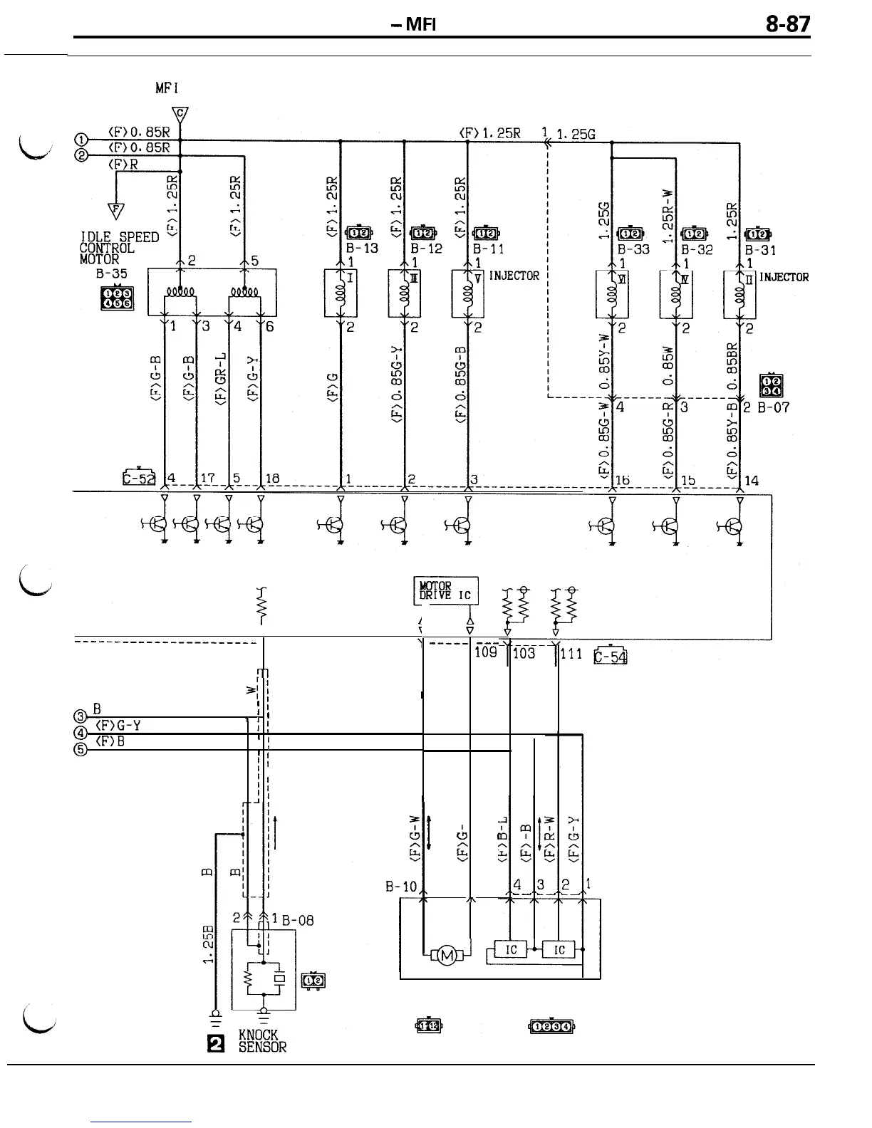
MFI
Circuit <DOHC NON TURBO>
8-87
MFI
RELAY
I
l-
1
A
i
----_---__-----__------
58
?
',
3;
I
zB
y
(F>G-Y
;
I
I
1
'
8
(F>B
f
I
I
I
!
I
;
I
I
I
)
I
!
----r
V
-----
--_
110
109
I
m ,
&
I
s
I
12 11
----
/\
VARIABLE INDUCTION
CONTROL MOTOR
,1
B-09

Table of Contents

Related product manuals