EasyManua.ls Logo

Eaton Network-M3 - Page 26

Eaton Network-M3
294 pages
Print Icon
To Next Page IconTo Next Page
To Next Page IconTo Next Page
To Previous Page IconTo Previous Page
To Previous Page IconTo Previous Page
Loading...
Home
Contextual help of the web interface – 26
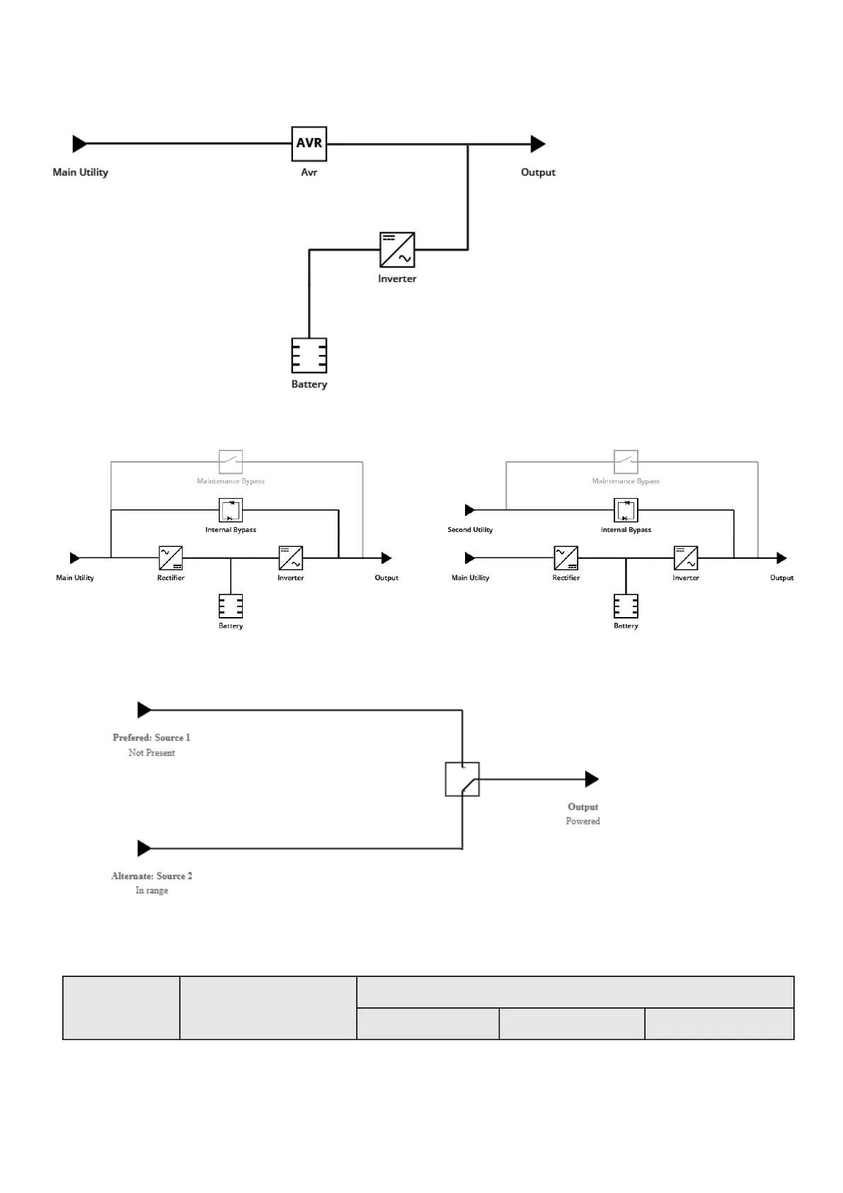
3.2.3.1 Line interactive UPS
3.2.3.2 Online UPS
3.2.3.3 ATS
3.2.3.4 Diagram elements description
Description and
symbols
Description Possible states below the symbol
Good Warning Fault

Table of Contents

Related product manuals