EasyManua.ls Logo

Festo MPA-S - Page 85

Festo MPA-S
174 pages
Print Icon
To Next Page IconTo Next Page
To Next Page IconTo Next Page
To Previous Page IconTo Previous Page
To Previous Page IconTo Previous Page
Loading...
4 Commissioning
Festo P.BE-MPA-E N 1309f English 85
1
42
53
14 12
1
12/14
12/14
3
82/84
2
1
2
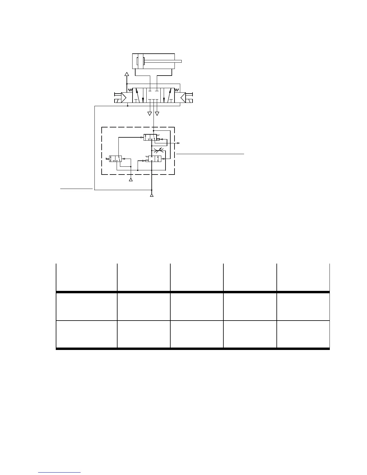
1 Externally supplied pilot air branched before
the safety star t-up valve
2 Safety start-up valve (gradual pressure
build-up of the complete supply)
Fig. 4.1 Example of valve-cylinder combination with gradual pressure build-up of the complete sys-
tem
The ta ble below shows the effects of gradual start-up pressurisation when there are electric signals:
External pilot air
supply
Pressure rise in
the overall
supply
Pressure rise in
the pilot air
supply (12/14)
Time when a
valve revers es
Movement of the
actuator
branched down-
stream of the safety
start-up valve
slowly slowly after pressure
rise at (1)
fast
branched upstream
of the soft-start
valve
slowly fast before pressure
rise at (1)
slowly
Tab. 4.1 Effects of slow start-up pre ssurisation

Table of Contents

Related product manuals