EasyManua.ls Logo

FOR-A FA -10DCCRU - GPI Output Circuit (same for GPI 1-3)

FOR-A FA -10DCCRU
74 pages
Print Icon
To Next Page IconTo Next Page
To Next Page IconTo Next Page
To Previous Page IconTo Previous Page
To Previous Page IconTo Previous Page
Loading...
69
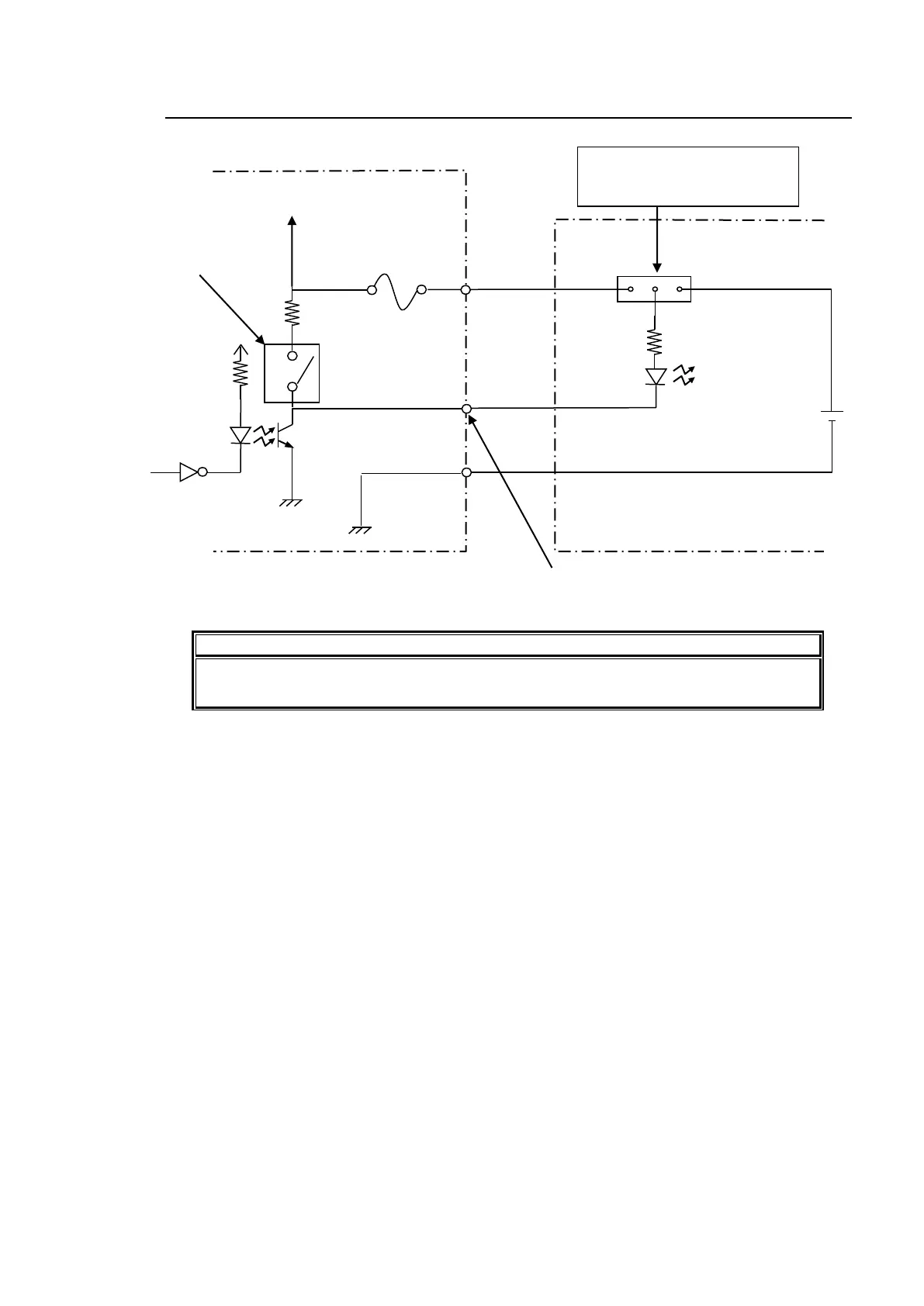
10-7. GPI Output Circuit (Same for GPI 1-3)
IMPORTANT
Note that the allowed current for each GPI output circuit is 50 mA and the external
power supply should be 5-24 VDC.
+5.0V
Select external or internal
power.
PIN 1, 7, 19
PINs 2-6, 14-18 (OUT)
PIN 13
5-24 V DC
(external power)
Protective resistor
FA-1010 inside
DIP SW setting

Table of Contents