EasyManua.ls Logo

Harris ACO6800+ISD - Signal Flow Diagrams

Default Icon
136 pages
Print Icon
To Next Page IconTo Next Page
To Next Page IconTo Next Page
To Previous Page IconTo Previous Page
To Previous Page IconTo Previous Page
Loading...
8 ACO6800+ Installation and Operation Manual
Copyright © 2009, Harris Corporation
Chapter 1: Introduction
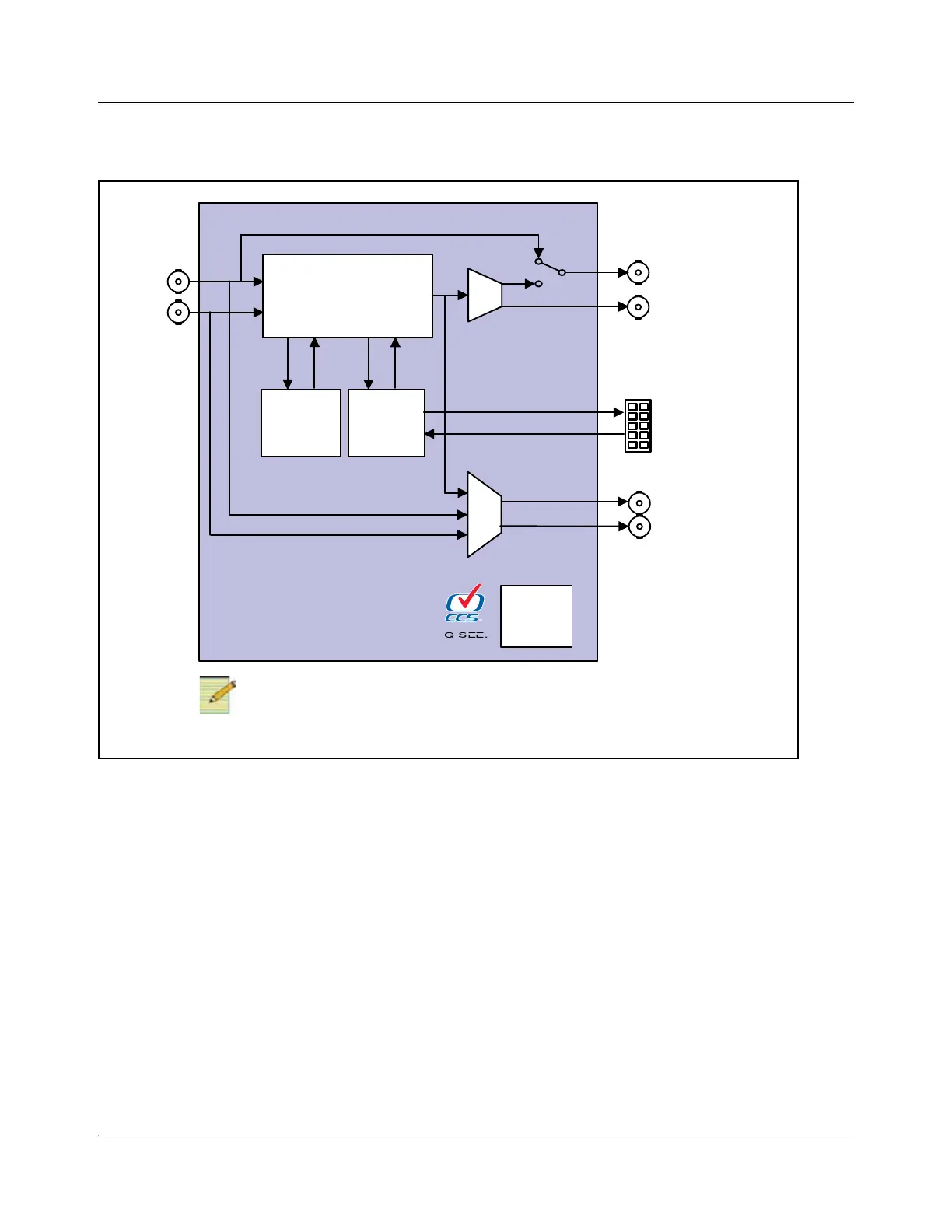
Signal Flow Diagrams
Figure 1-4. Signal Flow Diagram for ACO6800+ISD and ACO6800+ASID
Switch
In 1A
Switch
logic
Q-SEE
logic
Out 1B
Out 2B
CPU
Monitoring
and
Control
Out 1A bypass
Out 2A
In 2A
GPI in/out A
Note

Table of Contents

Related product manuals