EasyManua.ls Logo

Harris ACO6800+ISD - Page 23

Default Icon
136 pages
Print Icon
To Next Page IconTo Next Page
To Next Page IconTo Next Page
To Previous Page IconTo Previous Page
To Previous Page IconTo Previous Page
Loading...
ACO6800+ Installation and Operation Manual 9
Copyright © 2009, Harris Corporation
Chapter 1: Introduction
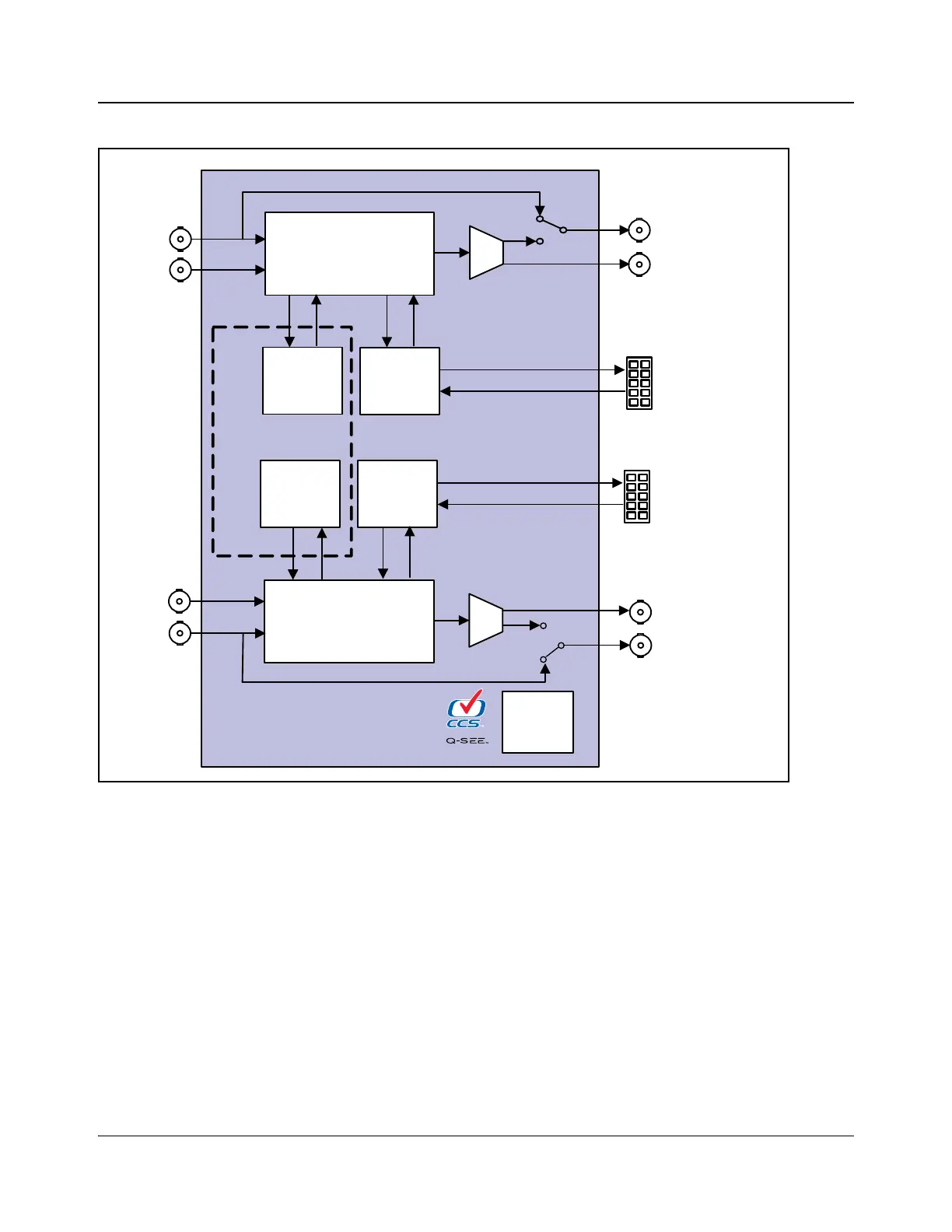
Figure 1-5. Signal Flow Diagram for ACO6800+DSD and ACO6800+IDSD
Switch
In 1A
Switch
logic
Q-SEE
logic
Out 1B bypass
Switch
In 1B
Out 2B
CPU
Monitoring
and
Control
Out 1A bypass
Out 2A
In 2A
In 2B
GPI in/out A
Switch
logic
Q-SEE
logic
ACO6800+IDSD only
GPI in/out B

Table of Contents

Related product manuals