EasyManua.ls Logo

Harris ACO6800+ISD - Page 24

Default Icon
136 pages
Print Icon
To Next Page IconTo Next Page
To Next Page IconTo Next Page
To Previous Page IconTo Previous Page
To Previous Page IconTo Previous Page
Loading...
10 ACO6800+ Installation and Operation Manual
Copyright © 2009, Harris Corporation
Chapter 1: Introduction
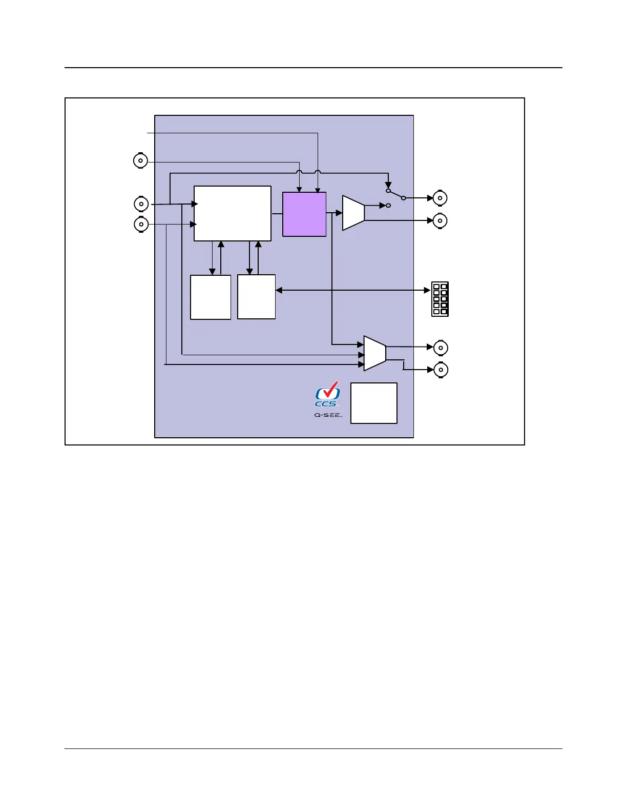
Figure 1-6. Signal Flow Diagram for ACO6800+ISCST
Switch
In 1
Switch
logic
Q-SEE
logic
AUX 2
AUX 1
CPU
Monitoring
and
Control
Out 1 bypass
Out 2
In 2
GPI in/out
Frame
and audio
sync
Trouble
slide/TSG
Genlock

Table of Contents

Related product manuals