EasyManua.ls Logo

IHI 9NX - Pump Drive Device

IHI 9NX
110 pages
Print Icon
To Next Page IconTo Next Page
To Next Page IconTo Next Page
To Previous Page IconTo Previous Page
To Previous Page IconTo Previous Page
Loading...
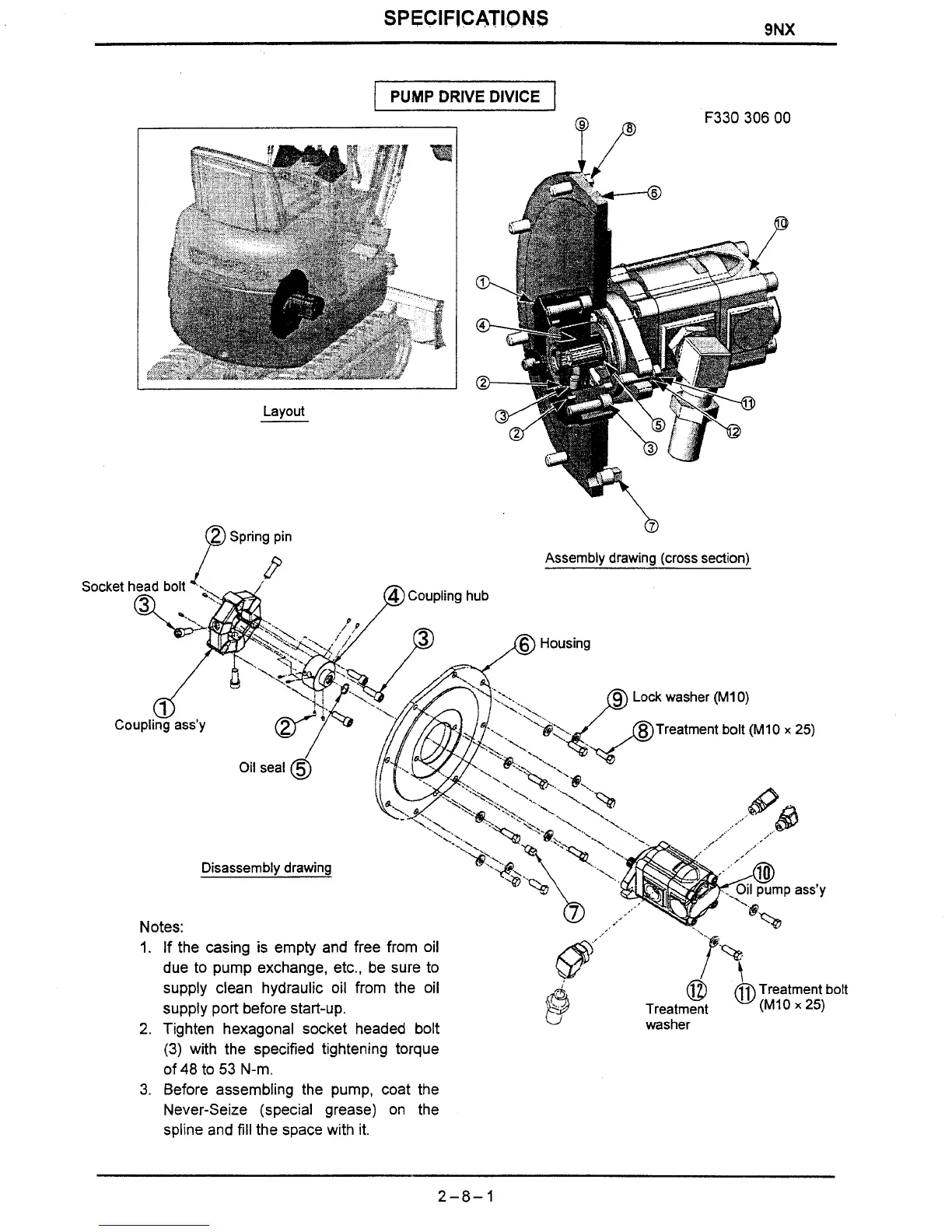
SPECIFICATIONS
9NX
Layout
Spring pin
Disassemblv drawina
Treatment bolt
(M10
x
25)
Notes:
1.
If the casing is empty and free from oil
due to pump exchange, etc., be sure to
supply clean hydraulic oil from the oil
supply port before start-up.
2.
Tighten hexagonal socket headed bolt
(3)
with the specified tightening torque
of
48
to
53
N-m.
3.
Before assembling the pump, coat the
Never-Seize (special grease) on the
spline and fill the space with it.
Assembly drawing (cross section)
@
@
Treatment bolt
Treatment
(MI0
x
25)
L
J
washer

Table of Contents

Related product manuals