EasyManua.ls Logo

Invacare Bora - Page 45

Invacare Bora
134 pages
Print Icon
To Next Page IconTo Next Page
To Next Page IconTo Next Page
To Previous Page IconTo Previous Page
To Previous Page IconTo Previous Page
Loading...
Invacare
®
- Bora/Spectra XTR
SERVICE MANUAL
45
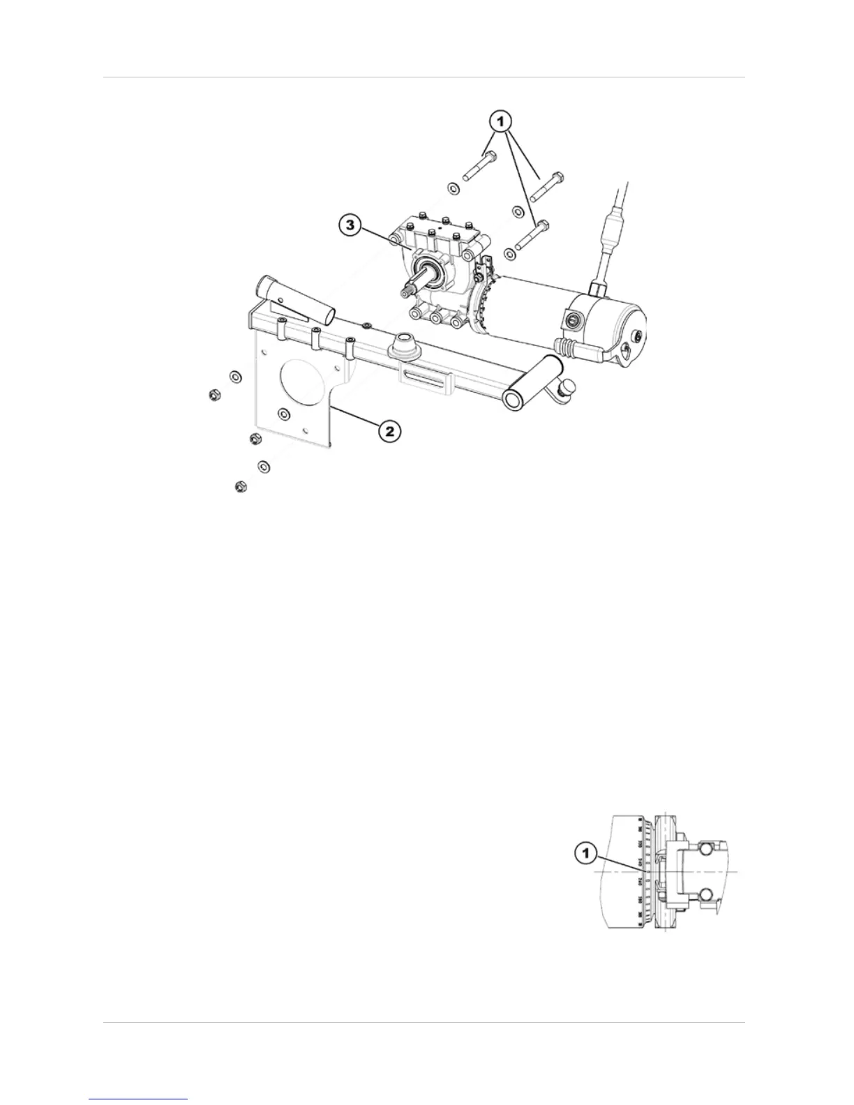
Use a 13 mm open-end wrench and a 13 mm socket wrench to loosen and remove the three
hexagon socket head screws (1).
Remove the screws together with the washers.
Pull the motor/gear box unit (3) rearward out of its holder (2). Take into account the heavy
weight of the unit.
Installing the motor / gearbox unit:
Replace the defective components.
Before installing a new motor / gearbox unit, make sure the sealing ring (2) is correctly
mounted. The sealing ring securely attaches the motor (3) and the gearbox (5). The ring must
be installed such that the self-locking nut (4) is located on the outside.
If the sealing ring is incorrectly installed, rotate it around as described in chapter 7.2.6.
Install the motor / gearbox unit in reverse order.
Use the scale to align the motor to the centre axis (1):
2-pole motors:
- Left: 200°
- Right: 280°.
4-pole motors:
- Left: 280°
- Right: 280°.

Table of Contents

Related product manuals