EasyManua.ls Logo

Keyestudio ESP32 - 5. Code Explanation; Project 23: Smart Cup; 1. Description; 2. Working Principle

Keyestudio ESP32
344 pages
Print Icon
To Next Page IconTo Next Page
To Next Page IconTo Next Page
To Previous Page IconTo Previous Page
To Previous Page IconTo Previous Page
Loading...
ESP32 Starter Kit
5. Code Explanation
data_val[ ] [ ]{ . . . }; Two-dimensional array. If we use an axis X metaphor for linear array, two-dimensional array is
axis X and Y. In this code, the value in the first square brackets is on axis X, and the second is on axis Y. For instance,
column 3 and row 4, that is data_val[ 3] [4 ].
8.5.24 Project 23: Smart Cup
1. Description
In this project, we mainly adopt the Arduino development board to create a programmable smart cup, which reveals the
temperature of inner liquid through a RGB indicator. It can control the brightness of the light by setting a temperature
threshold. If the threshold is exceeded, it will get brighter. Otherwise, it gets darker.
The smart cup enables to help users better control the temperature of their drinking water and effectively prevent
overheating or freezing.
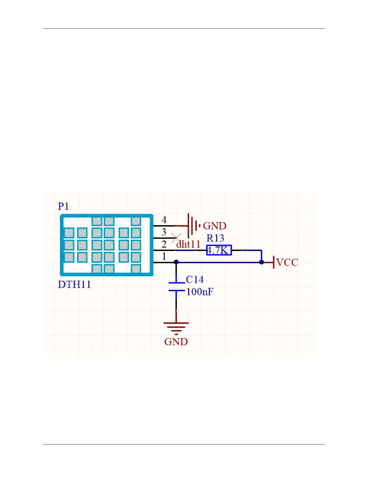
2. Working Principle
128 Chapter 8. Arduino Tutorial

Table of Contents